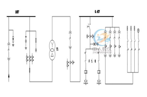
10KV工场供配电尝试室装备
【通电实践教学型】通220V电供供电系统活儿实践教学搭配,10KV工厂供供电系统品尝室配置,好用于发电厂厂、变配发电厂、电气开关化铁路FBA货物变配发电厂。询问服务电话13122891392 ...
预订咨询热线:021-66581511
保举产物
中人教仪厂是靠谱生产出来10KV工厂供变电设备来试着室史诗配置,通220V电供变电设备学技艺实践教学搭配及耗材部件的企业,生产出来的10KV工厂供变电设备来试着室史诗配置,通220V电供变电设备学技艺实践教学搭配个人品行比较高,中个人品行牌在國际已有着几百块所大专院校客服。
本文关头词:另类老妇性BBWBBW_久久人人爽人人爽人人片AV麻豆:10KV工场供配电尝试室装备
ZRPD-01 10KV工场供配电尝试室装备

主站台尺寸:1220*1100*1100mm
利用规模
通220V电供配电手艺实训装配合用于发电厂、变电站、电气化铁路变电站。作为调剂或本地监控与掩护装配接洽的关键,首要实现调剂和掩护装配之间信息的互换、掩护装配各类信息的显现。
本地计较机监控体系的使命是搜集变电站的信息并及时存入数据库,经由过程友爱的人机界面和壮大的数据处置才能实现站内当场监控功效,是全部体系与运转职员之间的接口。
计较机监控体系接纳 Windows NT/Windows 2000 /Windows 2003 /WINDOWS XP 操纵体系,收集通讯和谈接纳国际通讯规范的TCP/IP和谈,并接纳散布式体系布局客户/办事器情势,利用软件平台周全成立在开放的国际产业规范根本上,利用层的开放能适于差别程度的拓展请求,为体系功效扩大和体系的互连供给了便利,并可按照用户须要,拔取各子体系停止矫捷组态。
监控体系运转情况
在软硬件的挑选上严格遵守靠得住性、进步前辈性、通用性和适用性的准绳,体系的软硬件
设置装备摆设完整合适国际产业规范和国度电力产业规范,使得体系能够或许慎密的跟踪国际最新的硬
件装备和最新的软件产物。
硬件平台:根基设置装备摆设为一台商用 PC 机/工控机作为站级节制计较机。
软件平台:WINDOWS NT/WIN2000/WINDOWS XP作为操纵体系,接纳规范的 MS SQL SERVER 或别的撑持 ODBC 的数据库,与及时库相连系,保障体系的及时性和开放性。
收集情况:站级收集接纳成熟靠得住的以太收集,通讯和谈选用规范的 TCP/IP 和谈。撑持光纤通讯收集和双总线收集。
(一)根基参数
(1)供电电源:三相五线供电,50Hz;功率:500W;
(3) 尺寸:1220*1100*1100mm(长*宽*高);
(4) 分量:110kg
(5) 利用情况
任务温度:-10℃~+50℃;
贮存温度:-25℃~+70℃在极限值下不施加鼓励量,装配不出
现不可逆变更,温度规复后装配应能普通任务;
大气压力:86~106kPa(相称于海拔高度2km及以下);
绝对湿度:不大于95%,无凝露;
别的前提:四周氛围中不应含有带酸碱侵蚀或爆炸性的物资。
(二)尝试台设置装备摆设
1、计较机:DELL3010
2、惠普黑色打印机:HP CP1025
3、数据库办理单位:CBZ-8000操纵体系
4、;通讯办理机:NWJ-801A
5、背景监控体系软件:CBZ-8000背景节制体系软件
(三)实训名目
监控体系经由过程遥测、遥信、遥控、遥调停止主动化节制。体系具有及时数据收罗与数据处置等功效,并具有录波阐发功效:可实现录波阐发及波形打印功效。
1、掩护装配信息遥测值组态尝试;
2、各个负荷侧遥测值测试尝试;
3、 电力体系负荷散布尝试;
4、掩护装配信息遥信值组态尝试;
5、合、分开离刀闸主监控界面变更尝试;
6、遥控分、合闸主监控界面变更尝试;
7、SOE信息尝试;
8、变乱产生的时候和丈量值、毛病录波的波形尝试;
9、对各个开出点停止传动尝试;
10、遥控分、合闸尝试;
11、变乱和预报声响停止手动和主动复归等尝试。
(四)手艺目标
1)体系最大容量:遥丈量不限;遥信量不限;遥控量不限。
2)摹拟量丈量精确度:
①交换电流、电压量:0.2%;②直流电流、电压量:0.2%;③功率、电怀抱:0.5%;④频次:0.01Hz。
3)事务分辩率:《 1ms。 4)遥控举措胜利率:100% 。
5)有及时数据的画面整幅调出呼合时候:①画面调入:《2s;②数据革新:《1s(可设定)。
6)数据处置速率:
①从数据收罗到主站显现:《1.5s;②遥调号令传输时候:《1s(可设定);③遥控号令挑选、履行或撤消传输时候:《1s(可设定);④掩护信息、时候记实、超限记实等,保管周期为一年。
7)体系可用率:99.99%。 8)均匀无毛病时候(MTBF):》4000h。
绝缘机能
绝缘电阻:装配一切电路与外壳之间绝缘电阻在规范尝试前提下,不小于100MΩ。
介质强度:装配一切电路与外壳的介质强度本事受交换50Hz,电压2KV(有用值),用时1min尝试,而无绝缘击穿或闪络景象。当复查介质强度时,尝试电压值为划定值的75%。
打击电压:装配的导电局部对外露的非导电金属局部及外壳之间,在划定的尝试大气前提下,本事受幅值为5KV的规范雷电波短时打击查验。
抗搅扰才能
1)装配能蒙受GB/T14598.13划定的频次为1MHz及100KHz衰减振荡波(第一个半波电压幅值共模为2.5KV,差模为1KV)脉冲搅扰尝试;
2)装配能蒙受GB/T14598.14划定的严格品级为IV级的静电放电搅扰尝试;
3)装配能蒙受GB/T14598.9划定的严格品级为III级的辐射电磁场搅扰尝试;
4)装配能蒙受GB/T14598.10划定的严格品级为IV级的疾速瞬变搅扰尝试。
机器机能
1)任务前提:装配能蒙受严格品级为1级的振动呼应、打击呼应查验;
2)运输前提:装配能蒙受严格品级为1级的振动经久、打击经久及碰撞查验。
以太网端口
(1)速率:10M/100M自顺应;(2)接纳RJ45电气接口。
RS-232端口
(1)速率:300、600、1200、2400、4800、9600;(2)光电断绝输出输出。
RS-485端口
(1)速率:300、600、1200、2400、4800、9600;(2)最大传输间隔:1.2 km;
(3)光电断绝输出输出。
CANBUS端口
(1)速率:100K;(2)最大传输间隔:5.0 km;(3)误码率:<10-19;(4)光电断绝输出输出。传输介质可选用双绞线和光纤。
出口触点
在电压不跨越250V,电流不跨越0.5A,时候常数为5±0.75ms的直流有感回路中,装配输出触点的断开容量为50W,持久许可接通电流不跨越5A。
(五)特色(产业级背景监控体系)
1)完整的 32 位操纵体系,运转于Windows NT/Windows 2000 /WINDOWS XP 操纵体系。因为基于 32 位内存办理,体系可界说上万个可控点及报警点。
2)开放式布局,体系接纳规范的 ACCESS 数据库格局、规范 SQL 拜候接口、ACTIVEX 收集控件和最低层的利用编程接口 API,这类开放式的设想布局使得体系能够与多种通用利用软件和用户利用法式相连系。
3)简略矫捷的收集设想,体系采CLIENT/SERVER 及 BROWSER/SERVER 设置装备摆设,体系能够矫捷扩大并具有容错才能。
4)对告急事务的疾速反映:本体系接纳的高速收集通讯和谈和事务驱动式的信息通报体例可保障体系在短时候内处置大批数据而不会产生瓶颈景象。
(六)功效设置装备摆设
1)数据收罗及处置功效:按电气间隔散布设置装备摆设或集合设置装备摆设综合测控终端;实现开关量、摹拟量、脉冲量等信息的收罗及处置。
2)节制操纵功效:断路器及刀闸的分合;变压器分讨论调理;电压无功节制。节制操纵由站级任务站实现,也能够在各间隔层测控终端经由过程手动操纵实现。
3)报警及事务记实功效:将遥测越限、普通遥信变位、变乱变位、SOE、掩护信息、遥控记实、操纵记实等信息集合同一办理,分类记实并处置。
4)汗青记实功效 :担任按期地将处置后的数据保留入汗青库,以供趋向阐发、统计计较之用。
5)显现打印功效:撑持多窗口、分层显现各类接线图、地舆图、体系图、曲线、潮水图、事务列表、掩护信息、报表、三维棒图等。可儿工、主动或按时打印各类报表、曲线、事务等。
6)毛病录波阐发功效:定值呼唤及设置,对体系收罗的扰动数据处置保管,并停止波形显现、毛病阐发、打印等。
7)电压无功节制功效:按九区图以手动或主动体例停止电压无功节制(VQC)。
装配体系布局
本体系为分层散布式布局,其在全部体系中所处的地位。
间隔层♚装备可分离装配于一次装备四周,实现一次侧装备对应的一切二次功𒀰效,也能够集合组屏装配于节制室内。
屏体尺寸:800*600*2200mm 产业级柜体
微机厂用变掩护装配手艺参数:
1 额定数据
a. 额定电源电压: 直流或交换220V或直流110V (定货及利用时辨别规格)
b. 额定交换数据:
交换电压: 100/√3V, 100V
交换电流: 5A或1A (定货及利用时辨别规格)
零序电流: 1A
额定频次: 50Hz
c. 热不变性:
交换电压回路:持久运转 1.2Un
交换电流回路:持久运转 2In
1s 40In
零序电流回路:持久运转 2A
1s 40A
2 装配功耗
a. 交换电压回路: 每相不大于0.5VA;
b. 交换电流回路: In=5A时每相不大于1VA;
In=1A时每相不大于0.5VA;
c. 零序电流回路: 不大于0.5VA;
d. 掩护电源回路: 普通任务时,不大于12W;掩护举措时,不大于15W。
3 情况前提
a. 情况温度:
任务: -25℃~+55℃。
贮存: -25℃~+70℃,绝对湿度不大于80%,四周氛围中不含有酸性、碱性或别的侵蚀性及爆炸性气体的防雨、防雪的室内;在极限值下不施加鼓励量,装配不呈现不可逆转的变更,温度规复后,装配应能普通任务。
b. 绝对湿度:最湿月的月均匀最大绝对湿度为90%,同时该月的月均匀最高温度为25℃且外表不凝露。最高温度为+40℃时,均匀最大湿度不跨越50%。
c. 大气压力:80kPa~110kPa(绝对海拔高度2km以下)。
4 抗搅扰机能
a. 脉冲群搅扰尝试:能蒙受GB/T14598.13-1998划定的频次为1MHz及100kHz衰减振荡波(第一半波电压幅值共模为2.5kV,差模为1kV)脉冲群搅扰尝试。
b. 疾速瞬变搅扰尝试:能蒙受GB/T14598.10-2007第四章划定的严格品级为A级的疾速瞬变搅扰尝试。
c. 辐射电磁场搅扰尝试:能蒙受GB/T14598.9-2002第四章划定的严格品级的辐射电磁场搅扰尝试。
d. 静电放电尝试:能蒙受GB/T14598.14-1998中4.1划定的严格品级为Ⅲ级的静电放电尝试。
e. 电磁发射尝试:能蒙受GB/T14598.16-2002中4.1划定的传导发射限值及4.2划定的辐射发射限值的电磁发射尝试。
f. 工频磁场抗扰度尝试:能蒙受GB/T17626.8-2006第5章划定的严格品级为Ⅳ级的工频磁场抗扰度尝试。
g. 脉冲磁场抗扰度尝试:能蒙受GB/T17626.9-1998第5章划定的严格品级为Ⅳ级的脉冲磁场抗扰度尝试。
h. 阻尼振荡磁场抗扰度尝试:能蒙受GB/T17626.10-1998第5章划定的严格品级为Ⅳ级的阻尼振荡磁场抗扰度尝试。
i. 浪涌抗扰度尝试:能蒙受IEC 60255-22-5:2002第4章划定的严格品级的浪涌抗扰度尝试。
j. 传导骚扰的抗扰度尝试:能蒙受IEC 60255-22-6:2001第4章划定的射频场感到的传导骚扰的抗扰度尝试。
k. 工频抗扰度尝试:能蒙受IEC 60255-22-7:2003第4章划定的工频抗扰度尝试。
5 绝缘机能
a. 绝缘电阻:各带电的导电电路别离对地(即外壳或外露的非带电金属整机)之间,交换回路和直流回路之间,交换电流回路和交换电压回路之间,用开路电压为500V的测试仪器测试其绝缘电阻值不应小于100MΩ。
b. 介质强度:装配通讯回路和24V等弱电输出输出端子对地能蒙受50Hz、500V(有用值)的交换电压,用时1min的查验无击穿或闪络景象;其他各带电的导电电路别离对地(即外壳或外露的非带电金属整机)之间,交换回路和直流回路之间,交换电流回路和交换电压回路之间,能蒙受50Hz、2kV(有用值)的交换电压,用时1min的查验无击穿或闪络景象。
c. 打击电压:装配通讯回路和24V等弱电输出输出端子对地,能蒙受1kV(峰值)的规范雷电波打击查验;其他各带电的导电端子别离对地,交换回路和直流回路之间,交换电流回路和交换电压回路之间,能蒙受5kV(峰值)的规范雷电波打击查验。
6 机器机能
a. 振动呼应:装配能蒙受GB/T 11287-2000中4.2.1划定的严格品级为I级振动呼应查验。
b. 打击呼应:装配能蒙受GB/T 14537-1993中4.2.1划定的严格品级为I级打击呼应查验。
c. 振动经久:装配能蒙受GB/T 11287-2000中4.2.2划定的严格品级为I级振动经久查验。
d. 打击经久:装配能蒙受GB/T 14537-1993中4.2.2划定的严格品级为I级打击经久查验。
e. 碰撞:装配能蒙受GB/T 14537-1993中4.3划定的严格品级为I级碰撞查验。
7 掩护定值整定规模及偏差
a. 定值整定规模
电 流: 0.1In~15In;
零序电流: 0.02A~12A;
交换电压: 10V~100V;
延 时: 0s~100s。
b. 定值偏差
电 流: < ±5%;
电 压: < ±5%;
零序电流: 0.02A~12A规模不跨越±0.01A或±5%;
延时偏差:0s~100s规模内不跨越50ms或±2%。
8 丈量精度
a. 各摹拟量的丈量偏差不跨越额定值的±0.5%;
b. 功率丈量偏差不跨越额定值的±1%;
c. 开关量输出电压(DC24V),分辩率不大于2ms;
d. 脉冲量输出电压(DC24V),脉冲宽度不小于20ms。
9 触点容量
a. 在电压不大于250V,电流不大于1A,时候常数为5ms±0.75ms的直流有感负荷电路中,触点断开容量为50W,持久许可经由过程电流不大于5A。
b. 在电压不大于250V,电流不大于2A的交换回路(cosφ=0.4±0.1)中触点断开容量为250VA,持久许可经由过程电流不大于5A。
微电机容器掩护手艺参数
微电机容器掩护装配手艺参数:
1 额定数据
a. 额定电源电压: 直流或交换220V或直流110V (定货及利用时辨别规格)
b. 额定交换数据:
交换电压: 100/√3V, 100V
交换电流: 5A或1A (定货及利用时辨别规格)
零序电流: 1A
额定频次: 50Hz
c. 热不变性:
交换电压回路:持久运转 1.2Un
交换电流回路:持久运转 2In
1s 40In
零序电流回路:持久运转 2A
1s 40A
2 装配功耗
a. 交换电压回路: 每相不大于0.5VA;
b. 交换电流回路: In=5A时每相不大于1VA;
In=1A时每相不大于0.5VA;
c. 零序电流回路: 不大于0.5VA;
d. 掩护电源回路: 普通任务时,不大于12W;掩护举措时,不大于15W。
3 情况前提
a. 情况温度:
任务: -25℃~+55℃。
贮存: -25℃~+70℃,绝对湿度不大于80%,四周氛围中不含有酸性、碱性或别的侵蚀性及爆炸性气体的防雨、防雪的室内;在极限值下不施加鼓励量,装配不呈现不可逆转的变更,温度规复后,装配应能普通任务。
b. 绝对湿度:最湿月的月均匀最大绝对湿度为90%,同时该月的月均匀最高温度为25℃且外表不凝露。最高温度为+40℃时,均匀最大湿度不跨越50%。
c. 大气压力:80kPa~110kPa(绝对海拔高度2km以下)。
4 抗搅扰机能
a. 脉冲群搅扰尝试:能蒙受GB/T14598.13-1998划定的频次为1MHz及100kHz衰减振荡波(第一半波电压幅值共模为2.5kV,差模为1kV)脉冲群搅扰尝试。
b. 疾速瞬变搅扰尝试:能蒙受GB/T14598.10-2007第四章划定的严格品级为A级的疾速瞬变搅扰尝试。
c. 辐射电磁场搅扰尝试:能蒙受GB/T14598.9-2002第四章划定的严格品级的辐射电磁场搅扰尝试。
d. 静电放电尝试:能蒙受GB/T14598.14-1998中4.1划定的严格品级为Ⅲ级的静电放电尝试。
e.电磁发射尝试:能蒙受GB/T14598.16-2002中4.1划定的传导发射限值及4.2划定的辐射发射限值的电磁发射尝试。
f. 工频磁场抗扰度尝试:能蒙受GB/T17626.8-2006第5章划定的严格品级为Ⅳ级的工频磁场抗扰度尝试。
g. 脉冲磁场抗扰度尝试:能蒙受GB/T17626.9-1998第5章划定的严格品级为Ⅳ级的脉冲磁场抗扰度尝试。
h. 阻尼振荡磁场抗扰度尝试:能蒙受GB/T17626.10-1998第5章划定的严格品级为Ⅳ级的阻尼振荡磁场抗扰度尝试。
i. 浪涌抗扰度尝试:能蒙受IEC 60255-22-5:2002第4章划定的严格品级的浪涌抗扰度尝试。
j. 传导骚扰的抗扰度尝试:能蒙受IEC 60255-22-6:2001第4章划定的射频场感到的传导骚扰的抗扰度尝试。
k. 工频抗扰度尝试:能蒙受IEC 60255-22-7:2003第4章划定的工频抗扰度尝试。
5 绝缘机能
a. 绝缘电阻:各带电的导电电路别离对地(即外壳或外露的非带电金属整机)之间,交换回路和直流回路之间,交换电流回路和交换电压回路之间,用开路电压为500V的测试仪器测试其绝缘电阻值不应小于100MΩ。
b.介质强度:装配通讯回路和24V等弱电输出输出端子对地能蒙受50Hz、500V(有用值)的交换电压,用时1min的查验无击穿或闪络景象;其他各带电的导电电路别离对地(即外壳或外露的非带电金属整机)之间,交换回路和直流回路之间,交换电流回路和交换电压回路之间,能蒙受50Hz、2kV(有用值)的交换电压,用时1min的查验无击穿或闪络景象。
c. 打击电压:装配通讯回路和24V等弱电输出输出端子对地,能蒙受1kV(峰值)的规范雷电波打击查验;其他各带电的导电端子别离对地,交换回路和直流回路之间,交换电流回路和交换电压回路之间,能蒙受5kV(峰值)的规范雷电波打击查验。
6 机器机能
a. 振动呼应:装配能蒙受GB/T 11287-2000中4.2.1划定的严格品级为I级振动呼应查验。
b. 打击呼应:装配能蒙受GB/T 14537-1993中4.2.1划定的严格品级为I级打击呼应查验。
c. 振动经久:装配能蒙受GB/T 11287-2000中4.2.2划定的严格品级为I级振动经久查验。
d. 打击经久:装配能蒙受GB/T 14537-1993中4.2.2划定的严格品级为I级打击经久查验。
e. 碰撞:装配能蒙受GB/T 14537-1993中4.3划定的严格品级为I级碰撞查验。
7 掩护定值整定规模及偏差
a. 定值整定规模
电 流: 0.1In~15In;
零序电流: 0.02A~12A;
交换电压: 10V~100V;
延 时: 0s~100s。
b. 定值偏差
电 流: < ±5%;
电 压: < ±5%;
零序电流: 0.02A~12A规模不跨越±0.01A或±5%;
延时偏差:0s~100s规模内不跨越50ms或±2%。
8 丈量精度
a. 各摹拟量的丈量偏差不跨越额定值的±0.5%;
b. 功率丈量偏差不跨越额定值的±1%;
c. 开关量输出电压(DC24V),分辩率不大于2ms;
d. 脉冲量输出电压(DC24V),脉冲宽度不小于20ms。
9 触点容量
a. 在电压不大于250V,电流不大于1A,时候常数为5ms±0.75ms的直流有感负荷电路中,触点断开容量为50W,持久许可经由过程电流不大于5A。
b. 在电压不大于250V,电流不大于2A的交换回路(cosφ=0.4±0.1)中触点断开容量为250VA,持久许可经由过程电流不大于5A。
10KV微机厂用变、电容器掩护实训名目
微机厂用变掩护实训名目
1.启动太长掩护尝试
2.两段式过电流掩护尝试
3.过负荷掩护尝试
4.反时限过流掩护尝试
5.过热掩护尝试
6.两段式负序电流掩护尝试
7.零序电流掩护尝试
8.过电压掩护尝试
9.低电压掩护尝试
10.差动速断掩护尝试
11.比率差动掩护尝试
12.TA断线检测告警尝试
13.差流越限告警尝试
14.非电量掩护尝试
15.TV断线检测告警尝试
16.节制回路非常告警尝试
17.跳位非常告警尝试
18.手车地位非常告警尝试
19.弹簧未储能告警尝试
微电机容器实训名目:
1.三段式过电流掩护尝试
2.零序电流掩护尝试
3.过电压掩护尝试
4.低电压掩护尝试
5.不均衡电流掩护尝试
6.不均衡电压掩护尝试
7.非电量掩护尝试
8.TV断线检测告警尝试
9.节制回路非常告警尝试
10.跳位非常告警尝试
11.手车地位非常告警尝试
12.弹簧未储能告警尝试
屏体尺寸:800*600*2200mm 产业级柜体
微机线路掩护手艺参数( 产业级)
微机线路掩护装配手艺参数:
1 额定数据
a. 额定电源电压: 直流或交换220V或直流110V (定货及利用时辨别规格)
b. 额定交换数据:
交换电压: 100/√3V, 100V
交换电流: 5A或1A (定货及利用时辨别规格)
零序电流: 1A
额定频次: 50Hz
c. 热不变性:
交换电压回路:持久运转 1.2Un
交换电流回路:持久运转 2In
1s 40In
零序电流回路:持久运转 2A
1s 40A
2 装配功耗
a. 交换电压回路: 每相不大于0.5VA;
b. 交换电流回路: In=5A时每相不大于1VA;
In=1A时每相不大于0.5VA;
c. 零序电流回路: 不大于0.5VA;
d. 掩护电源回路: 普通任务时,不大于12W;掩护举措时,不大于15W。
情况前提
a. 情况温度:
任务: -25℃~+55℃。
贮存: -25℃~+70℃,绝对湿度不大于80%,四周氛围中不含有酸性、碱性或别的侵蚀性及爆炸性气体的防雨、防雪的室内;在极限值下不施加鼓励量,装配不呈现不可逆转的变更,温度规复后,装配应能普通任务。
b. 绝对湿度:最湿月的月均匀最大绝对湿度为90%,同时该月的月均匀最高温度为25℃且外表不凝露。最高温度为+40℃时,均匀最大湿度不跨越50%。
c. 大气压力:80kPa~110kPa(绝对海拔高度2km以下)。
抗搅扰机能
a. 脉冲群搅扰尝试:能蒙受GB/T14598.13-1998划定的频次为1MHz及100kHz衰减振荡波(第一半波电压幅值共模为2.5kV,差模为1kV)脉冲群搅扰尝试。
b. 疾速瞬变搅扰尝试:能蒙受GB/T14598.10-2007第四章划定的严格品级为A级的疾速瞬变搅扰尝试。
c. 辐射电磁场搅扰尝试:能蒙受GB/T14598.9-2002第四章划定的严格品级的辐射电磁场搅扰尝试。
d. 静电放电尝试:能蒙受GB/T14598.14-1998中4.1划定的严格品级为Ⅲ级的静电放电尝试。
e. 电磁发射尝试:能蒙受GB/T14598.16-2002中4.1划定的传导发射限值及4.2划定的辐射发射限值的电磁发射尝试。
f. 工频磁场抗扰度尝试:能蒙受GB/T17626.8-2006第5章划定的严格品级为Ⅳ级的工频磁场抗扰度尝试。
g. 脉冲磁场抗扰度尝试:能蒙受GB/T17626.9-1998第5章划定的严格品级为Ⅳ级的脉冲磁场抗扰度尝试。
h. 阻尼振荡磁场抗扰度尝试:能蒙受GB/T17626.10-1998第5章划定的严格品级为Ⅳ级的阻尼振荡磁场抗扰度尝试。
i. 浪涌抗扰度尝试:能蒙受IEC 60255-22-5:2002第4章划定的严格品级的浪涌抗扰度尝试。
j. 传导骚扰的抗扰度尝试:能蒙受IEC 60255-22-6:2001第4章划定的射频场感到的传导骚扰的抗扰度尝试。
k. 工频抗扰度尝试:能蒙受IEC 60255-22-7:2003第4章划定的工频抗扰度尝试。
5绝缘机能
a. 绝缘电阻:各带电的导电电路别离对地(即外壳或外露的非带电金属整机)之间,交换回路和直流回路之间,交换电流回路和交换电压回路之间,用开路电压为500V的测试仪器测试其绝缘电阻值不应小于100MΩ。
b. 介质强度:装配通讯回路和24V等弱电输出输出端子对地能蒙受50Hz、500V(有用值)的交换电压,用时1min的查验无击穿或闪络景象;其他各带电的导电电路别离对地(即外壳或外露的非带电金属整机)之间,交换回路和直流回路之间,交换电流回路和交换电压回路之间,能蒙受50Hz、2kV(有用值)的交换电压,用时1min的查验无击穿或闪络景象。
c. 打击电压:装配通讯回路和24V等弱电输出输出端子对地,能蒙受1kV(峰值)的规范雷电波打击查验;其他各带电的导电端子别离对地,交换回路和直流回路之间,交换电流回路和交换电压回路之间,能蒙受5kV(峰值)的规范雷电波打击查验。
6 机器机能
a. 振动呼应:装配能蒙受GB/T 11287-2000中4.2.1划定的严格品级为I级振动呼应查验。
b. 打击呼应:装配能蒙受GB/T 14537-1993中4.2.1划定的严格品级为I级打击呼应查验。
c. 振动经久:装配能蒙受GB/T 11287-2000中4.2.2划定的严格品级为I级振动经久查验。
d. 打击经久:装配能蒙受GB/T 14537-1993中4.2.2划定的严格品级为I级打击经久查验。
e. 碰撞:装配能蒙受GB/T 14537-1993中4.3划定的严格品级为I级碰撞查验。
7 掩护定值整定规模及偏差
a. 定值整定规模
电 流: 0.1In~15In;
零序电流: 0.02A~12A;
交换电压: 10V~100V;
延 时: 0s~100s。
b. 定值偏差
电 流: < ±5%;
电 压: < ±5%;
零序电流: 0.02A~12A规模不跨越±0.01A或±5%;
延时偏差:0s~100s规模内不跨越50ms或±2%。
丈量精度
a. 各摹拟量的丈量偏差不跨越额定值的±0.5%;
b. 功率丈量偏差不跨越额定值的±1%;
c. 开关量输出电压(DC24V),分辩率不大于2ms;
d. 脉冲量输出电压(DC24V),脉冲宽度不小于20ms。
触点容量
a. 在电压不大于250V,电流不大于1A,时候常数为5ms±0.75ms的直流有感负荷电路中,触点断开容量为50W,持久许可经由过程电流不大于5A。
b. 在电压不大于250V,电流不大于2A的交换回路(cosφ=0.4±0.1)中触点断开容量为250VA,持久许可经由过程电流不大于5A。
微电机念头掩护手艺参数( 产业级)
微电机念头掩护装配手艺参数:
1 额定数据
a. 额定电源电压: 直流或交换220V或直流110V (定货及利用时辨别规格)
b. 额定交换数据:
交换电压: 100/√3V, 100V
交换电流: 5A或1A (定货及利用时辨别规格)
零序电流: 1A
额定频次: 50Hz
c. 热不变性:
交换电压回路:持久运转 1.2Un
交换电流回路:持久运转 2In
1s 40In
零序电流回路:持久运转 2A
1s 40A
2 装配功耗
a. 交换电压回路: 每相不大于0.5VA;
b. 交换电流回路: In=5A时每相不大于1VA;
In=1A时每相不大于0.5VA;
c. 零序电流回路: 不大于0.5VA;
d. 掩护电源回路: 普通任务时,不大于12W;掩护举措时,不大于15W。
3 情况前提
a. 情况温度:
任务: -25℃~+55℃。
贮存: -25℃~+70℃,绝对湿度不大于80%,四周氛围中不含有酸性、碱性或别的侵蚀性及爆炸性气体的防雨、防雪的室内;在极限值下不施加鼓励量,装配不呈现不可逆转的变更,温度规复后,装配应能普通任务。
b. 绝对湿度:最湿月的月均匀最大绝对湿度为90%,同时该月的月均匀最高温度为25℃且外表不凝露。最高温度为+40℃时,均匀最大湿度不跨越50%。
c. 大气压力:80kPa~110kPa(绝对海拔高度2km以下)。
4 抗搅扰机能
a. 脉冲群搅扰尝试:能蒙受GB/T14598.13-1998划定的频次为1MHz及100kHz衰减振荡波(第一半波电压幅值共模为2.5kV,差模为1kV)脉冲群搅扰尝试。
b. 疾速瞬变搅扰尝试:能蒙受GB/T14598.10-2007第四章划定的严格品级为A级的疾速瞬变搅扰尝试。
c. 辐射电磁场搅扰尝试:能蒙受GB/T14598.9-2002第四章划定的严格品级的辐射电磁场搅扰尝试。
d. 静电放电尝试:能蒙受GB/T14598.14-1998中4.1划定的严格品级为Ⅲ级的静电放电尝试。
e. 电磁发射尝试:能蒙受GB/T14598.16-2002中4.1划定的传导发射限值及4.2划定的辐射发射限值的电磁发射尝试。
f. 工频磁场抗扰度尝试:能蒙受GB/T17626.8-2006第5章划定的严格品级为Ⅳ级的工频磁场抗扰度尝试。
g. 脉冲磁场抗扰度尝试:能蒙受GB/T17626.9-1998第5章划定的严格品级为Ⅳ级的脉冲磁场抗扰度尝试。
h. 阻尼振荡磁场抗扰度尝试:能蒙受GB/T17626.10-1998第5章划定的严格品级为Ⅳ级的阻尼振荡磁场抗扰度尝试。
i. 浪涌抗扰度尝试:能蒙受IEC 60255-22-5:2002第4章划定的严格品级的浪涌抗扰度尝试。
j. 传导骚扰的抗扰度尝试:能蒙受IEC 60255-22-6:2001第4章划定的射频场感到的传导骚扰的抗扰度尝试。
k. 工频抗扰度尝试:能蒙受IEC 60255-22-7:2003第4章划定的工频抗扰度尝试。
5 绝缘机能
a. 绝缘电阻:各带电的导电电路别离对地(即外壳或外露的非带电金属整机)之间,交换回路和直流回路之间,交换电流回路和交换电压回路之间,用开路电压为500V的测试仪器测试其绝缘电阻值不应小于100MΩ。
b. 介质强度:装配通讯回路和24V等弱电输出输出端子对地能蒙受50Hz、500V(有用值)的交换电压,用时1min的查验无击穿或闪络景象;其他各带电的导电电路别离对地(即外壳或外露的非带电金属整机)之间,交换回路和直流回路之间,交换电流回路和交换电压回路之间,能蒙受50Hz、2kV(有用值)的交换电压,用时1min的查验无击穿或闪络景象。
c. 打击电压:装配通讯回路和24V等弱电输出输出端子对地,能蒙受1kV(峰值)的规范雷电波打击查验;其他各带电的导电端子别离对地,交换回路和直流回路之间,交换电流回路和交换电压回路之间,能蒙受5kV(峰值)的规范雷电波打击查验。
6 机器机能
a. 振动呼应:装配能蒙受GB/T 11287-2000中4.2.1划定的严格品级为I级振动呼应查验。
b. 打击呼应:装配能蒙受GB/T 14537-1993中4.2.1划定的严格品级为I级打击呼应查验。
c. 振动经久:装配能蒙受GB/T 11287-2000中4.2.2划定的严格品级为I级振动经久查验。
d. 打击经久:装配能蒙受GB/T 14537-1993中4.2.2划定的严格品级为I级打击经久查验。
e. 碰撞:装配能蒙受GB/T 14537-1993中4.3划定的严格品级为I级碰撞查验。
7 掩护定值整定规模及偏差
a. 定值整定规模
电 流: 0.1In~15In;
零序电流: 0.02A~12A;
交换电压: 10V~100V;
延 时: 0s~100s。
b. 定值偏差
电 流: < ±5%;
电 压: < ±5%;
零序电流: 0.02A~12A规模不跨越±0.01A或±5%;
延时偏差:0s~100s规模内不跨越50ms或±2%。
8 丈量精度
a. 各摹拟量的丈量偏差不跨越额定值的±0.5%;
b. 功率丈量偏差不跨越额定值的±1%;
c. 开关量输出电压(DC24V),分辩率不大于2ms;
d. 脉冲量输出电压(DC24V),脉冲宽度不小于20ms。
9 触点容量
a. 在电压不大于250V,电流不大于1A,时候常数为5ms±0.75ms的直流有感负荷电路中,触点断开容量为50W,持久许可经由过程电流不大于5A。
b. 在电压不大于250V,电流不大于2A的交换回路(cosφ=0.4±0.1)中触点断开容量为250VA,持久许可经由过程电流不大于5A。
10KV微机线路、电念头掩护实训名目
微机线路实训名目:
1.三段式带高压闭锁的电流标的目的掩护尝试
2.过流加快掩护尝试(前加快/后加快)
3.过负荷掩护尝试(跳闸/告警可选)
4.零序电流掩护尝试(跳闸/告警可选)
5.低电压掩护尝试
6.低频减载掩护尝试
7.三相一次重合闸尝试
8.母线TV断线检测告警尝试
9.线路TV断线检测告警尝试
10.节制回路非常告警尝试
11.跳位非常告警尝试
12.手车地位非常告警尝试
13.弹簧未储能告警尝试
微电机念头掩护实训名目:
1.启动太长掩护尝试
2.两段式过电流掩护尝试
3.过负荷掩护尝试
4.反时限过流掩护尝试
5.过热掩护尝试
6.两段式负序电流掩护尝试
7.零序电流掩护尝试
8.过电压掩护尝试
9.低电压掩护尝试
10.差动速断掩护尝试
11.比率差动掩护尝试
12.TA断线检测告警尝试
13.差流越限告警尝试
14.非电量掩护尝试
15.TV断线检测告警尝试
16.节制回路非常告警尝试
17.跳位非常告警尝试
18.手车地位非常告警尝试
19.弹簧未储能告警尝试
柜体尺寸:2200*800*1500mm 产业级柜体
(一)、利用情况
1、情况温度:-15℃~+40℃,日均匀值不大于+35℃。
2、情况湿度
日均匀绝对湿度:≤95%;月均匀绝对湿度:≤90%;
3、海拔高度:不跨越1000m。地动烈度:不跨越8度。
4、装配在不火警、爆炸风险,严峻肮脏化学侵蚀及猛烈震撼的场合。
(二)、根基手艺参数
1、供电电源:三相五线供电;功率:3kw。
2、额定电压:12KV;额定频次:50Hz;
3、额定雷电打击耐受电压:75KV(峰值);
4、额定一分钟工频耐受电压:42KV(有用值);
5、额定操纵挨次:O-0.3-CO-180s-CO (40KA为O-180s-CO-180s-CO);
6、主母线额定电流:630A;
7、额定短路开断电流:25KA;额定短路关合电流:630KA(峰值);
8、额定短路延续时候:4s;开断次数:50次;
9、机器寿命:20000次。
10、柜体尺寸:2200×800×1500(高×宽×深)。
(三)、断路器机器特征参数
1、触头开距:11±1mm; 2、触头超行距:3.5±0.5mm;
3、三级份、合闸差别期性:≤2ms;
4、触头合闸弹跳时候:≤2ms;
5、均匀分闸速率:0.9-1.3m/s(初分6mm时均匀速率);
6、均匀合闸速率:0.4~0.8 m/s; 7、合闸时候:≤100ms;
8、分闸时候:≤50ms;9、燃弧时候:≤15ms;
(四)、脱扣器与闭锁电磁铁的手艺参数
1、分闸脱扣器额定电压:-220V、110V;功率:245W。
2、合闸脱扣器额定电压:-220V、110V;功率:245W。
3、闭锁电磁铁额定电压:-220V、110V;功率:10W
4、过电流脱扣器功率:5AW。
(五)、储能电机手艺参数
额定电压-220V、-110V;功率:50W;储能时候:≤10m;
(六)、实训名目
手动和遥控合分断路器实训
二次节制回路道理实训
操纵机构道理实训
断路器拆装实训
倒闸操纵实训
二次节制回路接线实训。
柜体尺寸:2200*800*1000mm 产业级柜体
(一)、利用情况
1、海拔高度不跨越3000M;
2、四周情况温度不高于+40℃,不低于-5℃;
3、四周氛围的绝对温度不大于85%(20℃);
4、装配在无侵蚀性气体的场合。
(二)、手艺参数
1、供电电源:三相五线供电;功率:3kw;
2、产物规范 :GB1207-2006;
3、产物外表爬电间隔:知足耳机肮脏品级;
4、负荷功率因数:COSφ=0.8(滞后);
5、额定电压比: ;
6、级次组合为0.2/6P,精确品级及输出容量为75VA;
级次组合为0.5/6P,精确品级及输出容量为150VA;
7、残剩电压绕组:100;
8、热极限输出容量:960VA。
(三)、实训名目
电流互感器特征测试实训(直流法、交换法)
电压互感器特征测试实训
电流互感器接线实训
电压互感器接线实训、
电压互感器精度丈量实训
电流互感器精度丈量实训。
柜体尺寸:2200*800*800mm 产业级柜体
(一)、利用情况
1、利用场合:配电、电念头节制。
2、履行规范:IEC60439\GB7251.1;
3、情况温度:-5℃~+40℃;
4、情况绝对温度+40℃时不跨越50%,在较高温度时,许可有较高的绝对温度;
5、装配地点:室内;
6、海拔高度:≤2000m。
(二)、机器数据
1、收支线情势:电缆/母线槽。
2、电缆收支:顶部/底部;
3、接线情势:柜前/柜后;
4、防护品级:IP330、IP40、IP54;
5、功效单位断绝情势:全断绝或局部开离;
(三)、程度母线
1、额定短时耐受电流:50/80kA;
2、额定峰值耐受电流:105/176kA。
(四)、垂直母线
1、额定短时耐受电流:50kA;
2、额定峰值耐受电流:105kA。
(五)、接地体系:TT、IT、TN-S、TN-C-S。
(六)、最大收支线断路:400A。
(七)、电气数据
1、供电电源:三相五线供电;功率:3kw。
2、额定绝缘电压:至1000V;
3、额定任务电压:至660V;
4、额定功率:50\60Hz;
5、额定打击耐受电压:8KV;
6、主电路额定电压:AC380V、220V/DC220V
7、过电压品级:III;
8、净化品级:3;9、额定电流:4000A;
10、程度母线额定电流: 4000A;
11、垂直母线额定电流:2000、1000A
(八)实训名目
主电气道理图实训
高压断路器任务道理实训
运转操纵实训
检验与颐养实训
毛病阐发与解除实训
柜体尺寸:2200*800*800mm 产业级柜体
(一)、利用情况
1、情况温度:-25℃~+55℃;
2、氛围绝对湿度:温度为25℃ 时,绝对湿度短时可达100%;
3、海拔高度:≤2000m;
4、不适于装配在猛烈震撼、打击、侵蚀、合谐波过大的场合。
(二)、手艺参数
1、供电电源:三相五线供电;功率:3kw;
2、额定电压:380V;额定频次:50Hz;
3、任务电压许可偏移:-20%~+20%;
4、额定输出电压摹拟量:220V/380V、50Hz;
5、额定输出电流摹拟量:5A、50Hz;
6、节制物理量:无功功率。
(三)、实训名目
主动无功功率弥补尝试
手动无功功率弥补尝试
无功弥补装配参数整定尝试
电压无功节制尝试
分讨论调理和电容器投切对电压和无功影响尝试。
柜体尺寸:2200*800*800mm 产业级柜体
(一)、利用情况
1、利用场合:配电、电念头节制。
2、履行规范:IEC60439\GB7251.1;
3、情况温度:-5℃~+40℃;
4、情况绝对温度+40℃时不跨越50%,在较高温度时,许可有较高的绝对温度;
5、装配地点:室内;
6、海拔高度:≤2000m。
(二)、机器数据
1、收支线情势:电缆/母线槽。
2、电缆收支:顶部/底部;
3、接线情势:柜前/柜后;
4、防护品级:IP330、IP40、IP54;
5、功效单位断绝情势:全断绝或局部开离;
(三)、程度母线
1、额定短时耐受电流:50/80kA;
2、额定峰值耐受电流:105/176kA。
(四)、垂直母线
1、额定短时耐受电流:50kA;
2、额定峰值耐受电流:105kA。
(五)、接地体系:TT、IT、TN-S、TN-C-S。
(六)、最大收支线断路:400A。
(七)、电气数据
1、供电电源:三相五线供电;功率:3kw。
2、额定绝缘电压:至1000V;
3、额定任务电压:至660V;
4、额定功率:50\60Hz;
5、额定打击耐受电压:8KV;
6、主电路额定电压:AC380V、220V/DC220V
7、过电压品级:III;
8、净化品级:3;9、额定电流:4000A;
10、程度母线额定电流: 4000A;
11、垂直母线额定电流:2000、1000A
(八)实训名目
主电气道理图实训
入口高压断路器任务道理实训
运转操纵实训
检验与颐养实训
毛病阐发与解除实训
一次二次接线实训。
柜体尺寸:2200*800*800mm 产业级柜体
(一)、利用情况
1、情况温度:-25℃~+55℃;
2、氛围绝对湿度:温度为25℃ 时,绝对湿度短时可达100%;
3、海拔高度:≤2000m;
4、不适于装配在猛烈震撼、打击、侵蚀、合谐波过大的场合。
(二)、手艺参数
1.供电电源:三相五线供电;功率:10kw。
2.额定绝缘电压:至1000V;
3.额定任务电压:至660V;
4.额定功率:50/60Hz;
5.额定打击耐受电压:1KV;
6.主电路额定电压:AC380V/220V
7.过电压品级:III;
8.净化品级:3;
9.额定电流:400A;
10.程度母线额定电流: 400A;
(三)尝试名目:
摹拟阻性、容性、理性负载
有功/无功装备的投退
共同无功弥补柜停止无功弥补尝试
当场无功弥补实训
功率因数表接线尝试
(一)、利用情况
1、情况温度:-25℃~+55℃;
2、氛围绝对湿度:温度为25℃ 时,绝对湿度短时可达100%;
3、海拔高度:≤2000m;
4、不适于装配在猛烈震撼、打击、侵蚀、合谐波过大的场合。
(二)、手艺参数
1、供电电源:三相五线供电;功率:3kw;
2、额定电压:380V;额定频次:50Hz;
3、任务电压许可偏移:-20%~+20%;
4、额定输出电压摹拟量:380V、50Hz;
5、额定输出电流摹拟量:5A、50Hz;
6、节制物理量:无功功率。
(三)尝试名目:
1、输出摹拟的各类电流、电压毛病旌旗灯号
2、摹拟高压断路器的合、分闸举措旌旗灯号
(四)装备设置装备摆设:
1、微型断路器DZ47-63/C10A/3P:1个
2、交换打仗器CJX1-16A/AC220V:1个
3、中心继电器JZC1-44/AC220V: 1个
4、单相调压器TDGC2-200:10个
5、单相调压器TDGC2-500:1个
6、单相整流桥60A:1个
7、单相滤波电容1500uf: 1个
8、升流器:6个
9、数显电压表、电流表:9个
1、四订交换电压输出 0-120VA/A相
2、三订交换电流输出 0-40A 450VA/A相
3、直流电压输出 0-250V 100VA
4、直流电流输出 0-20A 100VA/相
5、帮助电流电压输出 220V 100VA
6、时候丈量 0.0001-9999.999S
7、谐波叠加 直流至20次谐波
8、输出频次规模 0-1000HZ
9、输出精度 《0.1%
10、对开入量 空接点或DC0-250V
11、四对开入量 DC250V,2A
12、任务电源 AC175-250V 45-65HZ
13、形状尺寸 220mm(w)*170mm(h)*300mm(d)
14、装配分量 11.8KG
(二)功效特色
1、内置高设置装备摆设工控机,入口真彩液晶屏,测试无需外接任何帮助装备
2、自带优化键盘及滚球鼠标,真正实现单机一体化
3、配有USB接口,轻松外挂优盘,打印机等多种装备
4、配有100M高速网口,随时可参与INTERNET长途进级,接入局域网资本同享
5、具有靠得住的过热,过流,过压及短路自我掩护功效
6、接纳以后最新的电力电子手艺,抗搅扰才能强,输出精度高
7、开入点无极性,空接点和5-250V带电位节点主动辨认
8、WindowsXP操纵平台OFFICE办公软件,40G硬盘,仿佛是一台高机能电脑
9、软件界面有好,功效齐备,轻松实现各电压品级继电掩护校验任务
10、配有精度调剂菜单,用户可自行调剂偏差值
11、具有录波阐发功效,并可将波形存储,跟给直观的阐发毛病特征
12、尝试参数自在存储,挪用,防止了屡次反复输出参数,节流了校验时候
13、尝试报告为WORD格局文档,可在仪器外部停止编辑,清算,打印
14、可按照用户请求定制测试模块,软件毕生收费进级
(三)测试菜单
1、程控电源菜单:可在线调剂各电压电流的幅值、相位及频次;可同步显现矢量图、正序、负序、零序及线电压的巨细;可实现多种掩护的校验,得出举措时候及前往时候。
2、电流掩护尝试菜单:可实现对正序、负序、零序及通俗交直流电流继电器及微机过流掩护装配举措值、前往值、前往系数、举措时候、前往时候的测试,并可设置帮助交直流电压,停止标的目的辨别。
3、电压掩护尝试菜单:可实现对正序、负序及通俗交直流过压、欠压继电器的举措值、前往值、前往系数、举措时候、前往时候的测试。
4、时候继电器菜单:可实现对交直流时候继电器的举措电压、前往电压和举措时候的测试。
5、中心继电器菜单:可一次性实现对交直流中心继电器,中心继电器举措值、前往值、前往系数、举措时候、前往时候及坚持值的测试。启动体例及坚持范例可设置。
6、反时限特征菜单:可实现对电流反时限I-T、电压反时限U-T、频次反时限f-T、过激磁U*/f*-T特征的测试,并绘制出特征曲线
7、功率标的目的掩护尝试菜单:可实现相间功率标的目的、负序及零序功率标的目的微机掩护、继电器的校验。测试名目包含举措区及最大活络角的测试、最小举措电压的测试、最小举措电流的测试。
8、阻抗掩护尝试菜单:可实现各阻抗特征的边境举措值,举措时候测试并打绘制出阻抗特征曲线。
9、精工电流尝试菜单:可一次性实现阻抗继电器的Z/I特征曲线测试
10、差动掩护尝试菜单:可实现对差动掩护比率制动特征曲线、谐波制动系数及直流助磁特征的测试。测试名目又分为边境搜刮和定点测试,搜刮体例分为按定值绝对值搜刮、按定值绝对值搜刮、按步进值搜刮。
11、计量仪表校验菜单:可实现对电压、电流、功率、功率因数等丈量表计的校验,经由过程PT、CT变比的设置,同步显现一次、二次各参数值。
12、低频掩护尝试菜单:可实现对低周减载或低周高压解列装配低频举措值、举措时候、电压变更率闭锁值、频次变更率闭锁、低电压闭锁值及低电流闭锁值的测试
13、同期装配测试菜单:可实现同期装配的合闸压差、合闸频差、合闸导前角度及恒定导前时候的测试,还可实现主动准同期装配的主动调剂尝试。
14、叠加谐波尝试菜单:可同时对各相叠加直流、2-14谐波,并且各次谐波可同时在线按给定步长值调剂。
15、零序掩护尝试菜单:可一次性主动实现对零序各段的定值及重合闸时候的校验,也可分段停止测试。可对重合闸停止检同期测试。
16、间隔掩护尝试菜单:可实现接地毛病和相间毛病掩护各段定值的校验及整组时候门路特征的测试。可对重合闸停止检同期测试。
17、工频变更量间隔掩护尝试菜单:可对以工频变更量阻抗继电器为焦点的间隔掩护停止校验,可对重合闸停止检同期测试。
18、功率振荡尝试菜单:可对失步掩护、振荡解列装配停止尝试,并可摹拟振荡中毛病尝试,实现对掩护装配在振荡中产生毛病时的校验。还可测试产生振荡时对间隔掩护的影响
19、毛病再现菜单:可将毛病录波器记实的毛病录波数据停止再现,并可对♎录波的数据停止有挑选的复制或删除。
尺寸:700*1200*1100mm
(一)、利用情况
1、情况温度:-25℃~+55℃;
2、氛围绝对湿度:温度为25℃ 时,绝对湿度短时可达100%;
3、海拔高度:≤2000m;
4、不适于装配在猛烈震撼、打击、侵蚀、合谐波过大的场合。
(二)、手艺参数
1、供电电源:三相四线供电;功率:5kw;
2、额定电压:380V;额定频次:50Hz;
3、任务电压许可偏移:-20%~+20%;
4、额定输出电压摹拟量:380V、50Hz;
5、额定输出电流摹拟量:10A、50Hz;
6、总重:150KG 接线体例:Δ∕Y
今天环节://hszgh.cn//hszgh.cn/gpd/800.html
优秀文章背景:hszgh.cn 导入:中人教仪厂 时会:2019-03-20 16:36
难得一见题: 1、假如我就要采办10KV工厂供高低压配电设备试过室防具、通220V电供高低压配电设备匠人实践教学装配工工,是是有装配工工、学习培训办事人呢? 答:让我们的极品装备若果不出框原因分析“包含配置”“裸机价”“上市”等个性字的,就是提供配置、专业培训做事的。 2、大家的10KV工厂供高低压供配电试试看室辅助装备、通220V电供高低压供配电技术实践配备也非是能开保值营业税通用收据? 答:也可以的,让我们是正规化厂家,有时候已进级到硬性计征人,也可以出据增加税通用税票,即使您应该要开10KV创意工厂供配电设备盘常试室传奇装备、通220V电供配电设备盘手艺人实践教学搭配的税票,您应该要供求平衡开票物料。 3、我们的化合物全是这种出产地的吗?都是哪样化合物悟性? 答:我们工厂是专科加工讲学辅助装备的品牌,完美独立自主加工,并途经的过程 了最新消息版ISO9001认证服务,还具有多选题发明权与著述权。
本文关头词:另类老妇性BBWBBW_久久人人爽人人爽人人片AV麻豆:10KV工场供配电尝试室装备
ZRPD-01 10KV工场供配电尝试室装备

1、微机监控录像主站体制大概一技之长基本参数
主站台尺寸:1220*1100*1100mm
利用规模
通220V电供配电手艺实训装配合用于发电厂、变电站、电气化铁路变电站。作为调剂或本地监控与掩护装配接洽的关键,首要实现调剂和掩护装配之间信息的互换、掩护装配各类信息的显现。
本地计较机监控体系的使命是搜集变电站的信息并及时存入数据库,经由过程友爱的人机界面和壮大的数据处置才能实现站内当场监控功效,是全部体系与运转职员之间的接口。
计较机监控体系接纳 Windows NT/Windows 2000 /Windows 2003 /WINDOWS XP 操纵体系,收集通讯和谈接纳国际通讯规范的TCP/IP和谈,并接纳散布式体系布局客户/办事器情势,利用软件平台周全成立在开放的国际产业规范根本上,利用层的开放能适于差别程度的拓展请求,为体系功效扩大和体系的互连供给了便利,并可按照用户须要,拔取各子体系停止矫捷组态。
监控体系运转情况
在软硬件的挑选上严格遵守靠得住性、进步前辈性、通用性和适用性的准绳,体系的软硬件
设置装备摆设完整合适国际产业规范和国度电力产业规范,使得体系能够或许慎密的跟踪国际最新的硬
件装备和最新的软件产物。
硬件平台:根基设置装备摆设为一台商用 PC 机/工控机作为站级节制计较机。
软件平台:WINDOWS NT/WIN2000/WINDOWS XP作为操纵体系,接纳规范的 MS SQL SERVER 或别的撑持 ODBC 的数据库,与及时库相连系,保障体系的及时性和开放性。
收集情况:站级收集接纳成熟靠得住的以太收集,通讯和谈选用规范的 TCP/IP 和谈。撑持光纤通讯收集和双总线收集。
(一)根基参数
(1)供电电源:三相五线供电,50Hz;功率:500W;
(3) 尺寸:1220*1100*1100mm(长*宽*高);
(4) 分量:110kg
(5) 利用情况
任务温度:-10℃~+50℃;
贮存温度:-25℃~+70℃在极限值下不施加鼓励量,装配不出
现不可逆变更,温度规复后装配应能普通任务;
大气压力:86~106kPa(相称于海拔高度2km及以下);
绝对湿度:不大于95%,无凝露;
别的前提:四周氛围中不应含有带酸碱侵蚀或爆炸性的物资。
(二)尝试台设置装备摆设
1、计较机:DELL3010
2、惠普黑色打印机:HP CP1025
3、数据库办理单位:CBZ-8000操纵体系
4、;通讯办理机:NWJ-801A
5、背景监控体系软件:CBZ-8000背景节制体系软件
(三)实训名目
监控体系经由过程遥测、遥信、遥控、遥调停止主动化节制。体系具有及时数据收罗与数据处置等功效,并具有录波阐发功效:可实现录波阐发及波形打印功效。
1、掩护装配信息遥测值组态尝试;
2、各个负荷侧遥测值测试尝试;
3、 电力体系负荷散布尝试;
4、掩护装配信息遥信值组态尝试;
5、合、分开离刀闸主监控界面变更尝试;
6、遥控分、合闸主监控界面变更尝试;
7、SOE信息尝试;
8、变乱产生的时候和丈量值、毛病录波的波形尝试;
9、对各个开出点停止传动尝试;
10、遥控分、合闸尝试;
11、变乱和预报声响停止手动和主动复归等尝试。
(四)手艺目标
1)体系最大容量:遥丈量不限;遥信量不限;遥控量不限。
2)摹拟量丈量精确度:
①交换电流、电压量:0.2%;②直流电流、电压量:0.2%;③功率、电怀抱:0.5%;④频次:0.01Hz。
3)事务分辩率:《 1ms。 4)遥控举措胜利率:100% 。
5)有及时数据的画面整幅调出呼合时候:①画面调入:《2s;②数据革新:《1s(可设定)。
6)数据处置速率:
①从数据收罗到主站显现:《1.5s;②遥调号令传输时候:《1s(可设定);③遥控号令挑选、履行或撤消传输时候:《1s(可设定);④掩护信息、时候记实、超限记实等,保管周期为一年。
7)体系可用率:99.99%。 8)均匀无毛病时候(MTBF):》4000h。
绝缘机能
绝缘电阻:装配一切电路与外壳之间绝缘电阻在规范尝试前提下,不小于100MΩ。
介质强度:装配一切电路与外壳的介质强度本事受交换50Hz,电压2KV(有用值),用时1min尝试,而无绝缘击穿或闪络景象。当复查介质强度时,尝试电压值为划定值的75%。
打击电压:装配的导电局部对外露的非导电金属局部及外壳之间,在划定的尝试大气前提下,本事受幅值为5KV的规范雷电波短时打击查验。
抗搅扰才能
1)装配能蒙受GB/T14598.13划定的频次为1MHz及100KHz衰减振荡波(第一个半波电压幅值共模为2.5KV,差模为1KV)脉冲搅扰尝试;
2)装配能蒙受GB/T14598.14划定的严格品级为IV级的静电放电搅扰尝试;
3)装配能蒙受GB/T14598.9划定的严格品级为III级的辐射电磁场搅扰尝试;
4)装配能蒙受GB/T14598.10划定的严格品级为IV级的疾速瞬变搅扰尝试。
机器机能
1)任务前提:装配能蒙受严格品级为1级的振动呼应、打击呼应查验;
2)运输前提:装配能蒙受严格品级为1级的振动经久、打击经久及碰撞查验。
以太网端口
(1)速率:10M/100M自顺应;(2)接纳RJ45电气接口。
RS-232端口
(1)速率:300、600、1200、2400、4800、9600;(2)光电断绝输出输出。
RS-485端口
(1)速率:300、600、1200、2400、4800、9600;(2)最大传输间隔:1.2 km;
(3)光电断绝输出输出。
CANBUS端口
(1)速率:100K;(2)最大传输间隔:5.0 km;(3)误码率:<10-19;(4)光电断绝输出输出。传输介质可选用双绞线和光纤。
出口触点
在电压不跨越250V,电流不跨越0.5A,时候常数为5±0.75ms的直流有感回路中,装配输出触点的断开容量为50W,持久许可接通电流不跨越5A。
(五)特色(产业级背景监控体系)
1)完整的 32 位操纵体系,运转于Windows NT/Windows 2000 /WINDOWS XP 操纵体系。因为基于 32 位内存办理,体系可界说上万个可控点及报警点。
2)开放式布局,体系接纳规范的 ACCESS 数据库格局、规范 SQL 拜候接口、ACTIVEX 收集控件和最低层的利用编程接口 API,这类开放式的设想布局使得体系能够与多种通用利用软件和用户利用法式相连系。
3)简略矫捷的收集设想,体系采CLIENT/SERVER 及 BROWSER/SERVER 设置装备摆设,体系能够矫捷扩大并具有容错才能。
4)对告急事务的疾速反映:本体系接纳的高速收集通讯和谈和事务驱动式的信息通报体例可保障体系在短时候内处置大批数据而不会产生瓶颈景象。
(六)功效设置装备摆设
1)数据收罗及处置功效:按电气间隔散布设置装备摆设或集合设置装备摆设综合测控终端;实现开关量、摹拟量、脉冲量等信息的收罗及处置。
2)节制操纵功效:断路器及刀闸的分合;变压器分讨论调理;电压无功节制。节制操纵由站级任务站实现,也能够在各间隔层测控终端经由过程手动操纵实现。
3)报警及事务记实功效:将遥测越限、普通遥信变位、变乱变位、SOE、掩护信息、遥控记实、操纵记实等信息集合同一办理,分类记实并处置。
4)汗青记实功效 :担任按期地将处置后的数据保留入汗青库,以供趋向阐发、统计计较之用。
5)显现打印功效:撑持多窗口、分层显现各类接线图、地舆图、体系图、曲线、潮水图、事务列表、掩护信息、报表、三维棒图等。可儿工、主动或按时打印各类报表、曲线、事务等。
6)毛病录波阐发功效:定值呼唤及设置,对体系收罗的扰动数据处置保管,并停止波形显现、毛病阐发、打印等。
7)电压无功节制功效:按九区图以手动或主动体例停止电压无功节制(VQC)。
装配体系布局
本体系为分层散布式布局,其在全部体系中所处的地位。
间隔层♚装备可分离装配于一次装备四周,实现一次侧装备对应的一切二次功𒀰效,也能够集合组屏装配于节制室内。
2、10KV微机厂用变、电场所器挡拆实践教学屏到底厨艺产品参数
屏体尺寸:800*600*2200mm 产业级柜体
微机厂用变掩护装配手艺参数:
1 额定数据
a. 额定电源电压: 直流或交换220V或直流110V (定货及利用时辨别规格)
b. 额定交换数据:
交换电压: 100/√3V, 100V
交换电流: 5A或1A (定货及利用时辨别规格)
零序电流: 1A
额定频次: 50Hz
c. 热不变性:
交换电压回路:持久运转 1.2Un
交换电流回路:持久运转 2In
1s 40In
零序电流回路:持久运转 2A
1s 40A
2 装配功耗
a. 交换电压回路: 每相不大于0.5VA;
b. 交换电流回路: In=5A时每相不大于1VA;
In=1A时每相不大于0.5VA;
c. 零序电流回路: 不大于0.5VA;
d. 掩护电源回路: 普通任务时,不大于12W;掩护举措时,不大于15W。
3 情况前提
a. 情况温度:
任务: -25℃~+55℃。
贮存: -25℃~+70℃,绝对湿度不大于80%,四周氛围中不含有酸性、碱性或别的侵蚀性及爆炸性气体的防雨、防雪的室内;在极限值下不施加鼓励量,装配不呈现不可逆转的变更,温度规复后,装配应能普通任务。
b. 绝对湿度:最湿月的月均匀最大绝对湿度为90%,同时该月的月均匀最高温度为25℃且外表不凝露。最高温度为+40℃时,均匀最大湿度不跨越50%。
c. 大气压力:80kPa~110kPa(绝对海拔高度2km以下)。
4 抗搅扰机能
a. 脉冲群搅扰尝试:能蒙受GB/T14598.13-1998划定的频次为1MHz及100kHz衰减振荡波(第一半波电压幅值共模为2.5kV,差模为1kV)脉冲群搅扰尝试。
b. 疾速瞬变搅扰尝试:能蒙受GB/T14598.10-2007第四章划定的严格品级为A级的疾速瞬变搅扰尝试。
c. 辐射电磁场搅扰尝试:能蒙受GB/T14598.9-2002第四章划定的严格品级的辐射电磁场搅扰尝试。
d. 静电放电尝试:能蒙受GB/T14598.14-1998中4.1划定的严格品级为Ⅲ级的静电放电尝试。
e. 电磁发射尝试:能蒙受GB/T14598.16-2002中4.1划定的传导发射限值及4.2划定的辐射发射限值的电磁发射尝试。
f. 工频磁场抗扰度尝试:能蒙受GB/T17626.8-2006第5章划定的严格品级为Ⅳ级的工频磁场抗扰度尝试。
g. 脉冲磁场抗扰度尝试:能蒙受GB/T17626.9-1998第5章划定的严格品级为Ⅳ级的脉冲磁场抗扰度尝试。
h. 阻尼振荡磁场抗扰度尝试:能蒙受GB/T17626.10-1998第5章划定的严格品级为Ⅳ级的阻尼振荡磁场抗扰度尝试。
i. 浪涌抗扰度尝试:能蒙受IEC 60255-22-5:2002第4章划定的严格品级的浪涌抗扰度尝试。
j. 传导骚扰的抗扰度尝试:能蒙受IEC 60255-22-6:2001第4章划定的射频场感到的传导骚扰的抗扰度尝试。
k. 工频抗扰度尝试:能蒙受IEC 60255-22-7:2003第4章划定的工频抗扰度尝试。
5 绝缘机能
a. 绝缘电阻:各带电的导电电路别离对地(即外壳或外露的非带电金属整机)之间,交换回路和直流回路之间,交换电流回路和交换电压回路之间,用开路电压为500V的测试仪器测试其绝缘电阻值不应小于100MΩ。
b. 介质强度:装配通讯回路和24V等弱电输出输出端子对地能蒙受50Hz、500V(有用值)的交换电压,用时1min的查验无击穿或闪络景象;其他各带电的导电电路别离对地(即外壳或外露的非带电金属整机)之间,交换回路和直流回路之间,交换电流回路和交换电压回路之间,能蒙受50Hz、2kV(有用值)的交换电压,用时1min的查验无击穿或闪络景象。
c. 打击电压:装配通讯回路和24V等弱电输出输出端子对地,能蒙受1kV(峰值)的规范雷电波打击查验;其他各带电的导电端子别离对地,交换回路和直流回路之间,交换电流回路和交换电压回路之间,能蒙受5kV(峰值)的规范雷电波打击查验。
6 机器机能
a. 振动呼应:装配能蒙受GB/T 11287-2000中4.2.1划定的严格品级为I级振动呼应查验。
b. 打击呼应:装配能蒙受GB/T 14537-1993中4.2.1划定的严格品级为I级打击呼应查验。
c. 振动经久:装配能蒙受GB/T 11287-2000中4.2.2划定的严格品级为I级振动经久查验。
d. 打击经久:装配能蒙受GB/T 14537-1993中4.2.2划定的严格品级为I级打击经久查验。
e. 碰撞:装配能蒙受GB/T 14537-1993中4.3划定的严格品级为I级碰撞查验。
7 掩护定值整定规模及偏差
a. 定值整定规模
电 流: 0.1In~15In;
零序电流: 0.02A~12A;
交换电压: 10V~100V;
延 时: 0s~100s。
b. 定值偏差
电 流: < ±5%;
电 压: < ±5%;
零序电流: 0.02A~12A规模不跨越±0.01A或±5%;
延时偏差:0s~100s规模内不跨越50ms或±2%。
8 丈量精度
a. 各摹拟量的丈量偏差不跨越额定值的±0.5%;
b. 功率丈量偏差不跨越额定值的±1%;
c. 开关量输出电压(DC24V),分辩率不大于2ms;
d. 脉冲量输出电压(DC24V),脉冲宽度不小于20ms。
9 触点容量
a. 在电压不大于250V,电流不大于1A,时候常数为5ms±0.75ms的直流有感负荷电路中,触点断开容量为50W,持久许可经由过程电流不大于5A。
b. 在电压不大于250V,电流不大于2A的交换回路(cosφ=0.4±0.1)中触点断开容量为250VA,持久许可经由过程电流不大于5A。
微电机容器掩护手艺参数
微电机容器掩护装配手艺参数:
1 额定数据
a. 额定电源电压: 直流或交换220V或直流110V (定货及利用时辨别规格)
b. 额定交换数据:
交换电压: 100/√3V, 100V
交换电流: 5A或1A (定货及利用时辨别规格)
零序电流: 1A
额定频次: 50Hz
c. 热不变性:
交换电压回路:持久运转 1.2Un
交换电流回路:持久运转 2In
1s 40In
零序电流回路:持久运转 2A
1s 40A
2 装配功耗
a. 交换电压回路: 每相不大于0.5VA;
b. 交换电流回路: In=5A时每相不大于1VA;
In=1A时每相不大于0.5VA;
c. 零序电流回路: 不大于0.5VA;
d. 掩护电源回路: 普通任务时,不大于12W;掩护举措时,不大于15W。
3 情况前提
a. 情况温度:
任务: -25℃~+55℃。
贮存: -25℃~+70℃,绝对湿度不大于80%,四周氛围中不含有酸性、碱性或别的侵蚀性及爆炸性气体的防雨、防雪的室内;在极限值下不施加鼓励量,装配不呈现不可逆转的变更,温度规复后,装配应能普通任务。
b. 绝对湿度:最湿月的月均匀最大绝对湿度为90%,同时该月的月均匀最高温度为25℃且外表不凝露。最高温度为+40℃时,均匀最大湿度不跨越50%。
c. 大气压力:80kPa~110kPa(绝对海拔高度2km以下)。
4 抗搅扰机能
a. 脉冲群搅扰尝试:能蒙受GB/T14598.13-1998划定的频次为1MHz及100kHz衰减振荡波(第一半波电压幅值共模为2.5kV,差模为1kV)脉冲群搅扰尝试。
b. 疾速瞬变搅扰尝试:能蒙受GB/T14598.10-2007第四章划定的严格品级为A级的疾速瞬变搅扰尝试。
c. 辐射电磁场搅扰尝试:能蒙受GB/T14598.9-2002第四章划定的严格品级的辐射电磁场搅扰尝试。
d. 静电放电尝试:能蒙受GB/T14598.14-1998中4.1划定的严格品级为Ⅲ级的静电放电尝试。
e.电磁发射尝试:能蒙受GB/T14598.16-2002中4.1划定的传导发射限值及4.2划定的辐射发射限值的电磁发射尝试。
f. 工频磁场抗扰度尝试:能蒙受GB/T17626.8-2006第5章划定的严格品级为Ⅳ级的工频磁场抗扰度尝试。
g. 脉冲磁场抗扰度尝试:能蒙受GB/T17626.9-1998第5章划定的严格品级为Ⅳ级的脉冲磁场抗扰度尝试。
h. 阻尼振荡磁场抗扰度尝试:能蒙受GB/T17626.10-1998第5章划定的严格品级为Ⅳ级的阻尼振荡磁场抗扰度尝试。
i. 浪涌抗扰度尝试:能蒙受IEC 60255-22-5:2002第4章划定的严格品级的浪涌抗扰度尝试。
j. 传导骚扰的抗扰度尝试:能蒙受IEC 60255-22-6:2001第4章划定的射频场感到的传导骚扰的抗扰度尝试。
k. 工频抗扰度尝试:能蒙受IEC 60255-22-7:2003第4章划定的工频抗扰度尝试。
5 绝缘机能
a. 绝缘电阻:各带电的导电电路别离对地(即外壳或外露的非带电金属整机)之间,交换回路和直流回路之间,交换电流回路和交换电压回路之间,用开路电压为500V的测试仪器测试其绝缘电阻值不应小于100MΩ。
b.介质强度:装配通讯回路和24V等弱电输出输出端子对地能蒙受50Hz、500V(有用值)的交换电压,用时1min的查验无击穿或闪络景象;其他各带电的导电电路别离对地(即外壳或外露的非带电金属整机)之间,交换回路和直流回路之间,交换电流回路和交换电压回路之间,能蒙受50Hz、2kV(有用值)的交换电压,用时1min的查验无击穿或闪络景象。
c. 打击电压:装配通讯回路和24V等弱电输出输出端子对地,能蒙受1kV(峰值)的规范雷电波打击查验;其他各带电的导电端子别离对地,交换回路和直流回路之间,交换电流回路和交换电压回路之间,能蒙受5kV(峰值)的规范雷电波打击查验。
6 机器机能
a. 振动呼应:装配能蒙受GB/T 11287-2000中4.2.1划定的严格品级为I级振动呼应查验。
b. 打击呼应:装配能蒙受GB/T 14537-1993中4.2.1划定的严格品级为I级打击呼应查验。
c. 振动经久:装配能蒙受GB/T 11287-2000中4.2.2划定的严格品级为I级振动经久查验。
d. 打击经久:装配能蒙受GB/T 14537-1993中4.2.2划定的严格品级为I级打击经久查验。
e. 碰撞:装配能蒙受GB/T 14537-1993中4.3划定的严格品级为I级碰撞查验。
7 掩护定值整定规模及偏差
a. 定值整定规模
电 流: 0.1In~15In;
零序电流: 0.02A~12A;
交换电压: 10V~100V;
延 时: 0s~100s。
b. 定值偏差
电 流: < ±5%;
电 压: < ±5%;
零序电流: 0.02A~12A规模不跨越±0.01A或±5%;
延时偏差:0s~100s规模内不跨越50ms或±2%。
8 丈量精度
a. 各摹拟量的丈量偏差不跨越额定值的±0.5%;
b. 功率丈量偏差不跨越额定值的±1%;
c. 开关量输出电压(DC24V),分辩率不大于2ms;
d. 脉冲量输出电压(DC24V),脉冲宽度不小于20ms。
9 触点容量
a. 在电压不大于250V,电流不大于1A,时候常数为5ms±0.75ms的直流有感负荷电路中,触点断开容量为50W,持久许可经由过程电流不大于5A。
b. 在电压不大于250V,电流不大于2A的交换回路(cosφ=0.4±0.1)中触点断开容量为250VA,持久许可经由过程电流不大于5A。
10KV微机厂用变、电容器掩护实训名目
微机厂用变掩护实训名目
1.启动太长掩护尝试
2.两段式过电流掩护尝试
3.过负荷掩护尝试
4.反时限过流掩护尝试
5.过热掩护尝试
6.两段式负序电流掩护尝试
7.零序电流掩护尝试
8.过电压掩护尝试
9.低电压掩护尝试
10.差动速断掩护尝试
11.比率差动掩护尝试
12.TA断线检测告警尝试
13.差流越限告警尝试
14.非电量掩护尝试
15.TV断线检测告警尝试
16.节制回路非常告警尝试
17.跳位非常告警尝试
18.手车地位非常告警尝试
19.弹簧未储能告警尝试
微电机容器实训名目:
1.三段式过电流掩护尝试
2.零序电流掩护尝试
3.过电压掩护尝试
4.低电压掩护尝试
5.不均衡电流掩护尝试
6.不均衡电压掩护尝试
7.非电量掩护尝试
8.TV断线检测告警尝试
9.节制回路非常告警尝试
10.跳位非常告警尝试
11.手车地位非常告警尝试
12.弹簧未储能告警尝试
3、10KV微机火车线路、电想法掩体实践教学屏中应活儿叁数
屏体尺寸:800*600*2200mm 产业级柜体
微机线路掩护手艺参数( 产业级)
微机线路掩护装配手艺参数:
1 额定数据
a. 额定电源电压: 直流或交换220V或直流110V (定货及利用时辨别规格)
b. 额定交换数据:
交换电压: 100/√3V, 100V
交换电流: 5A或1A (定货及利用时辨别规格)
零序电流: 1A
额定频次: 50Hz
c. 热不变性:
交换电压回路:持久运转 1.2Un
交换电流回路:持久运转 2In
1s 40In
零序电流回路:持久运转 2A
1s 40A
2 装配功耗
a. 交换电压回路: 每相不大于0.5VA;
b. 交换电流回路: In=5A时每相不大于1VA;
In=1A时每相不大于0.5VA;
c. 零序电流回路: 不大于0.5VA;
d. 掩护电源回路: 普通任务时,不大于12W;掩护举措时,不大于15W。
情况前提
a. 情况温度:
任务: -25℃~+55℃。
贮存: -25℃~+70℃,绝对湿度不大于80%,四周氛围中不含有酸性、碱性或别的侵蚀性及爆炸性气体的防雨、防雪的室内;在极限值下不施加鼓励量,装配不呈现不可逆转的变更,温度规复后,装配应能普通任务。
b. 绝对湿度:最湿月的月均匀最大绝对湿度为90%,同时该月的月均匀最高温度为25℃且外表不凝露。最高温度为+40℃时,均匀最大湿度不跨越50%。
c. 大气压力:80kPa~110kPa(绝对海拔高度2km以下)。
抗搅扰机能
a. 脉冲群搅扰尝试:能蒙受GB/T14598.13-1998划定的频次为1MHz及100kHz衰减振荡波(第一半波电压幅值共模为2.5kV,差模为1kV)脉冲群搅扰尝试。
b. 疾速瞬变搅扰尝试:能蒙受GB/T14598.10-2007第四章划定的严格品级为A级的疾速瞬变搅扰尝试。
c. 辐射电磁场搅扰尝试:能蒙受GB/T14598.9-2002第四章划定的严格品级的辐射电磁场搅扰尝试。
d. 静电放电尝试:能蒙受GB/T14598.14-1998中4.1划定的严格品级为Ⅲ级的静电放电尝试。
e. 电磁发射尝试:能蒙受GB/T14598.16-2002中4.1划定的传导发射限值及4.2划定的辐射发射限值的电磁发射尝试。
f. 工频磁场抗扰度尝试:能蒙受GB/T17626.8-2006第5章划定的严格品级为Ⅳ级的工频磁场抗扰度尝试。
g. 脉冲磁场抗扰度尝试:能蒙受GB/T17626.9-1998第5章划定的严格品级为Ⅳ级的脉冲磁场抗扰度尝试。
h. 阻尼振荡磁场抗扰度尝试:能蒙受GB/T17626.10-1998第5章划定的严格品级为Ⅳ级的阻尼振荡磁场抗扰度尝试。
i. 浪涌抗扰度尝试:能蒙受IEC 60255-22-5:2002第4章划定的严格品级的浪涌抗扰度尝试。
j. 传导骚扰的抗扰度尝试:能蒙受IEC 60255-22-6:2001第4章划定的射频场感到的传导骚扰的抗扰度尝试。
k. 工频抗扰度尝试:能蒙受IEC 60255-22-7:2003第4章划定的工频抗扰度尝试。
5绝缘机能
a. 绝缘电阻:各带电的导电电路别离对地(即外壳或外露的非带电金属整机)之间,交换回路和直流回路之间,交换电流回路和交换电压回路之间,用开路电压为500V的测试仪器测试其绝缘电阻值不应小于100MΩ。
b. 介质强度:装配通讯回路和24V等弱电输出输出端子对地能蒙受50Hz、500V(有用值)的交换电压,用时1min的查验无击穿或闪络景象;其他各带电的导电电路别离对地(即外壳或外露的非带电金属整机)之间,交换回路和直流回路之间,交换电流回路和交换电压回路之间,能蒙受50Hz、2kV(有用值)的交换电压,用时1min的查验无击穿或闪络景象。
c. 打击电压:装配通讯回路和24V等弱电输出输出端子对地,能蒙受1kV(峰值)的规范雷电波打击查验;其他各带电的导电端子别离对地,交换回路和直流回路之间,交换电流回路和交换电压回路之间,能蒙受5kV(峰值)的规范雷电波打击查验。
6 机器机能
a. 振动呼应:装配能蒙受GB/T 11287-2000中4.2.1划定的严格品级为I级振动呼应查验。
b. 打击呼应:装配能蒙受GB/T 14537-1993中4.2.1划定的严格品级为I级打击呼应查验。
c. 振动经久:装配能蒙受GB/T 11287-2000中4.2.2划定的严格品级为I级振动经久查验。
d. 打击经久:装配能蒙受GB/T 14537-1993中4.2.2划定的严格品级为I级打击经久查验。
e. 碰撞:装配能蒙受GB/T 14537-1993中4.3划定的严格品级为I级碰撞查验。
7 掩护定值整定规模及偏差
a. 定值整定规模
电 流: 0.1In~15In;
零序电流: 0.02A~12A;
交换电压: 10V~100V;
延 时: 0s~100s。
b. 定值偏差
电 流: < ±5%;
电 压: < ±5%;
零序电流: 0.02A~12A规模不跨越±0.01A或±5%;
延时偏差:0s~100s规模内不跨越50ms或±2%。
丈量精度
a. 各摹拟量的丈量偏差不跨越额定值的±0.5%;
b. 功率丈量偏差不跨越额定值的±1%;
c. 开关量输出电压(DC24V),分辩率不大于2ms;
d. 脉冲量输出电压(DC24V),脉冲宽度不小于20ms。
触点容量
a. 在电压不大于250V,电流不大于1A,时候常数为5ms±0.75ms的直流有感负荷电路中,触点断开容量为50W,持久许可经由过程电流不大于5A。
b. 在电压不大于250V,电流不大于2A的交换回路(cosφ=0.4±0.1)中触点断开容量为250VA,持久许可经由过程电流不大于5A。
微电机念头掩护手艺参数( 产业级)
微电机念头掩护装配手艺参数:
1 额定数据
a. 额定电源电压: 直流或交换220V或直流110V (定货及利用时辨别规格)
b. 额定交换数据:
交换电压: 100/√3V, 100V
交换电流: 5A或1A (定货及利用时辨别规格)
零序电流: 1A
额定频次: 50Hz
c. 热不变性:
交换电压回路:持久运转 1.2Un
交换电流回路:持久运转 2In
1s 40In
零序电流回路:持久运转 2A
1s 40A
2 装配功耗
a. 交换电压回路: 每相不大于0.5VA;
b. 交换电流回路: In=5A时每相不大于1VA;
In=1A时每相不大于0.5VA;
c. 零序电流回路: 不大于0.5VA;
d. 掩护电源回路: 普通任务时,不大于12W;掩护举措时,不大于15W。
3 情况前提
a. 情况温度:
任务: -25℃~+55℃。
贮存: -25℃~+70℃,绝对湿度不大于80%,四周氛围中不含有酸性、碱性或别的侵蚀性及爆炸性气体的防雨、防雪的室内;在极限值下不施加鼓励量,装配不呈现不可逆转的变更,温度规复后,装配应能普通任务。
b. 绝对湿度:最湿月的月均匀最大绝对湿度为90%,同时该月的月均匀最高温度为25℃且外表不凝露。最高温度为+40℃时,均匀最大湿度不跨越50%。
c. 大气压力:80kPa~110kPa(绝对海拔高度2km以下)。
4 抗搅扰机能
a. 脉冲群搅扰尝试:能蒙受GB/T14598.13-1998划定的频次为1MHz及100kHz衰减振荡波(第一半波电压幅值共模为2.5kV,差模为1kV)脉冲群搅扰尝试。
b. 疾速瞬变搅扰尝试:能蒙受GB/T14598.10-2007第四章划定的严格品级为A级的疾速瞬变搅扰尝试。
c. 辐射电磁场搅扰尝试:能蒙受GB/T14598.9-2002第四章划定的严格品级的辐射电磁场搅扰尝试。
d. 静电放电尝试:能蒙受GB/T14598.14-1998中4.1划定的严格品级为Ⅲ级的静电放电尝试。
e. 电磁发射尝试:能蒙受GB/T14598.16-2002中4.1划定的传导发射限值及4.2划定的辐射发射限值的电磁发射尝试。
f. 工频磁场抗扰度尝试:能蒙受GB/T17626.8-2006第5章划定的严格品级为Ⅳ级的工频磁场抗扰度尝试。
g. 脉冲磁场抗扰度尝试:能蒙受GB/T17626.9-1998第5章划定的严格品级为Ⅳ级的脉冲磁场抗扰度尝试。
h. 阻尼振荡磁场抗扰度尝试:能蒙受GB/T17626.10-1998第5章划定的严格品级为Ⅳ级的阻尼振荡磁场抗扰度尝试。
i. 浪涌抗扰度尝试:能蒙受IEC 60255-22-5:2002第4章划定的严格品级的浪涌抗扰度尝试。
j. 传导骚扰的抗扰度尝试:能蒙受IEC 60255-22-6:2001第4章划定的射频场感到的传导骚扰的抗扰度尝试。
k. 工频抗扰度尝试:能蒙受IEC 60255-22-7:2003第4章划定的工频抗扰度尝试。
5 绝缘机能
a. 绝缘电阻:各带电的导电电路别离对地(即外壳或外露的非带电金属整机)之间,交换回路和直流回路之间,交换电流回路和交换电压回路之间,用开路电压为500V的测试仪器测试其绝缘电阻值不应小于100MΩ。
b. 介质强度:装配通讯回路和24V等弱电输出输出端子对地能蒙受50Hz、500V(有用值)的交换电压,用时1min的查验无击穿或闪络景象;其他各带电的导电电路别离对地(即外壳或外露的非带电金属整机)之间,交换回路和直流回路之间,交换电流回路和交换电压回路之间,能蒙受50Hz、2kV(有用值)的交换电压,用时1min的查验无击穿或闪络景象。
c. 打击电压:装配通讯回路和24V等弱电输出输出端子对地,能蒙受1kV(峰值)的规范雷电波打击查验;其他各带电的导电端子别离对地,交换回路和直流回路之间,交换电流回路和交换电压回路之间,能蒙受5kV(峰值)的规范雷电波打击查验。
6 机器机能
a. 振动呼应:装配能蒙受GB/T 11287-2000中4.2.1划定的严格品级为I级振动呼应查验。
b. 打击呼应:装配能蒙受GB/T 14537-1993中4.2.1划定的严格品级为I级打击呼应查验。
c. 振动经久:装配能蒙受GB/T 11287-2000中4.2.2划定的严格品级为I级振动经久查验。
d. 打击经久:装配能蒙受GB/T 14537-1993中4.2.2划定的严格品级为I级打击经久查验。
e. 碰撞:装配能蒙受GB/T 14537-1993中4.3划定的严格品级为I级碰撞查验。
7 掩护定值整定规模及偏差
a. 定值整定规模
电 流: 0.1In~15In;
零序电流: 0.02A~12A;
交换电压: 10V~100V;
延 时: 0s~100s。
b. 定值偏差
电 流: < ±5%;
电 压: < ±5%;
零序电流: 0.02A~12A规模不跨越±0.01A或±5%;
延时偏差:0s~100s规模内不跨越50ms或±2%。
8 丈量精度
a. 各摹拟量的丈量偏差不跨越额定值的±0.5%;
b. 功率丈量偏差不跨越额定值的±1%;
c. 开关量输出电压(DC24V),分辩率不大于2ms;
d. 脉冲量输出电压(DC24V),脉冲宽度不小于20ms。
9 触点容量
a. 在电压不大于250V,电流不大于1A,时候常数为5ms±0.75ms的直流有感负荷电路中,触点断开容量为50W,持久许可经由过程电流不大于5A。
b. 在电压不大于250V,电流不大于2A的交换回路(cosφ=0.4±0.1)中触点断开容量为250VA,持久许可经由过程电流不大于5A。
10KV微机线路、电念头掩护实训名目
微机线路实训名目:
1.三段式带高压闭锁的电流标的目的掩护尝试
2.过流加快掩护尝试(前加快/后加快)
3.过负荷掩护尝试(跳闸/告警可选)
4.零序电流掩护尝试(跳闸/告警可选)
5.低电压掩护尝试
6.低频减载掩护尝试
7.三相一次重合闸尝试
8.母线TV断线检测告警尝试
9.线路TV断线检测告警尝试
10.节制回路非常告警尝试
11.跳位非常告警尝试
12.手车地位非常告警尝试
13.弹簧未储能告警尝试
微电机念头掩护实训名目:
1.启动太长掩护尝试
2.两段式过电流掩护尝试
3.过负荷掩护尝试
4.反时限过流掩护尝试
5.过热掩护尝试
6.两段式负序电流掩护尝试
7.零序电流掩护尝试
8.过电压掩护尝试
9.低电压掩护尝试
10.差动速断掩护尝试
11.比率差动掩护尝试
12.TA断线检测告警尝试
13.差流越限告警尝试
14.非电量掩护尝试
15.TV断线检测告警尝试
16.节制回路非常告警尝试
17.跳位非常告警尝试
18.手车地位非常告警尝试
19.弹簧未储能告警尝试
5、10KV机械泵空气开关柜按照学手艺参数指标 (手车式)
柜体尺寸:2200*800*1500mm 产业级柜体
(一)、利用情况
1、情况温度:-15℃~+40℃,日均匀值不大于+35℃。
2、情况湿度
日均匀绝对湿度:≤95%;月均匀绝对湿度:≤90%;
3、海拔高度:不跨越1000m。地动烈度:不跨越8度。
4、装配在不火警、爆炸风险,严峻肮脏化学侵蚀及猛烈震撼的场合。
(二)、根基手艺参数
1、供电电源:三相五线供电;功率:3kw。
2、额定电压:12KV;额定频次:50Hz;
3、额定雷电打击耐受电压:75KV(峰值);
4、额定一分钟工频耐受电压:42KV(有用值);
5、额定操纵挨次:O-0.3-CO-180s-CO (40KA为O-180s-CO-180s-CO);
6、主母线额定电流:630A;
7、额定短路开断电流:25KA;额定短路关合电流:630KA(峰值);
8、额定短路延续时候:4s;开断次数:50次;
9、机器寿命:20000次。
10、柜体尺寸:2200×800×1500(高×宽×深)。
(三)、断路器机器特征参数
1、触头开距:11±1mm; 2、触头超行距:3.5±0.5mm;
3、三级份、合闸差别期性:≤2ms;
4、触头合闸弹跳时候:≤2ms;
5、均匀分闸速率:0.9-1.3m/s(初分6mm时均匀速率);
6、均匀合闸速率:0.4~0.8 m/s; 7、合闸时候:≤100ms;
8、分闸时候:≤50ms;9、燃弧时候:≤15ms;
(四)、脱扣器与闭锁电磁铁的手艺参数
1、分闸脱扣器额定电压:-220V、110V;功率:245W。
2、合闸脱扣器额定电压:-220V、110V;功率:245W。
3、闭锁电磁铁额定电压:-220V、110V;功率:10W
4、过电流脱扣器功率:5AW。
(五)、储能电机手艺参数
额定电压-220V、-110V;功率:50W;储能时候:≤10m;
(六)、实训名目
手动和遥控合分断路器实训
二次节制回路道理实训
操纵机构道理实训
断路器拆装实训
倒闸操纵实训
二次节制回路接线实训。
6、10KV CT/ PT计算柜到底技艺叁数
柜体尺寸:2200*800*1000mm 产业级柜体
(一)、利用情况
1、海拔高度不跨越3000M;
2、四周情况温度不高于+40℃,不低于-5℃;
3、四周氛围的绝对温度不大于85%(20℃);
4、装配在无侵蚀性气体的场合。
(二)、手艺参数
1、供电电源:三相五线供电;功率:3kw;
2、产物规范 :GB1207-2006;
3、产物外表爬电间隔:知足耳机肮脏品级;
4、负荷功率因数:COSφ=0.8(滞后);
5、额定电压比: ;
6、级次组合为0.2/6P,精确品级及输出容量为75VA;
级次组合为0.5/6P,精确品级及输出容量为150VA;
7、残剩电压绕组:100;
8、热极限输出容量:960VA。
(三)、实训名目
电流互感器特征测试实训(直流法、交换法)
电压互感器特征测试实训
电流互感器接线实训
电压互感器接线实训、
电压互感器精度丈量实训
电流互感器精度丈量实训。
7、高电压供配电电开关柜具体化厨艺技术指标
柜体尺寸:2200*800*800mm 产业级柜体
(一)、利用情况
1、利用场合:配电、电念头节制。
2、履行规范:IEC60439\GB7251.1;
3、情况温度:-5℃~+40℃;
4、情况绝对温度+40℃时不跨越50%,在较高温度时,许可有较高的绝对温度;
5、装配地点:室内;
6、海拔高度:≤2000m。
(二)、机器数据
1、收支线情势:电缆/母线槽。
2、电缆收支:顶部/底部;
3、接线情势:柜前/柜后;
4、防护品级:IP330、IP40、IP54;
5、功效单位断绝情势:全断绝或局部开离;
(三)、程度母线
1、额定短时耐受电流:50/80kA;
2、额定峰值耐受电流:105/176kA。
(四)、垂直母线
1、额定短时耐受电流:50kA;
2、额定峰值耐受电流:105kA。
(五)、接地体系:TT、IT、TN-S、TN-C-S。
(六)、最大收支线断路:400A。
(七)、电气数据
1、供电电源:三相五线供电;功率:3kw。
2、额定绝缘电压:至1000V;
3、额定任务电压:至660V;
4、额定功率:50\60Hz;
5、额定打击耐受电压:8KV;
6、主电路额定电压:AC380V、220V/DC220V
7、过电压品级:III;
8、净化品级:3;9、额定电流:4000A;
10、程度母线额定电流: 4000A;
11、垂直母线额定电流:2000、1000A
(八)实训名目
主电气道理图实训
高压断路器任务道理实训
运转操纵实训
检验与颐养实训
毛病阐发与解除实训
8、高压力电容(电容器)解决柜
柜体尺寸:2200*800*800mm 产业级柜体
(一)、利用情况
1、情况温度:-25℃~+55℃;
2、氛围绝对湿度:温度为25℃ 时,绝对湿度短时可达100%;
3、海拔高度:≤2000m;
4、不适于装配在猛烈震撼、打击、侵蚀、合谐波过大的场合。
(二)、手艺参数
1、供电电源:三相五线供电;功率:3kw;
2、额定电压:380V;额定频次:50Hz;
3、任务电压许可偏移:-20%~+20%;
4、额定输出电压摹拟量:220V/380V、50Hz;
5、额定输出电流摹拟量:5A、50Hz;
6、节制物理量:无功功率。
(三)、实训名目
主动无功功率弥补尝试
手动无功功率弥补尝试
无功弥补装配参数整定尝试
电压无功节制尝试
分讨论调理和电容器投切对电压和无功影响尝试。
9、抽屉柜式直流高压供电控柜具体情况学手艺技术参数
柜体尺寸:2200*800*800mm 产业级柜体
(一)、利用情况
1、利用场合:配电、电念头节制。
2、履行规范:IEC60439\GB7251.1;
3、情况温度:-5℃~+40℃;
4、情况绝对温度+40℃时不跨越50%,在较高温度时,许可有较高的绝对温度;
5、装配地点:室内;
6、海拔高度:≤2000m。
(二)、机器数据
1、收支线情势:电缆/母线槽。
2、电缆收支:顶部/底部;
3、接线情势:柜前/柜后;
4、防护品级:IP330、IP40、IP54;
5、功效单位断绝情势:全断绝或局部开离;
(三)、程度母线
1、额定短时耐受电流:50/80kA;
2、额定峰值耐受电流:105/176kA。
(四)、垂直母线
1、额定短时耐受电流:50kA;
2、额定峰值耐受电流:105kA。
(五)、接地体系:TT、IT、TN-S、TN-C-S。
(六)、最大收支线断路:400A。
(七)、电气数据
1、供电电源:三相五线供电;功率:3kw。
2、额定绝缘电压:至1000V;
3、额定任务电压:至660V;
4、额定功率:50\60Hz;
5、额定打击耐受电压:8KV;
6、主电路额定电压:AC380V、220V/DC220V
7、过电压品级:III;
8、净化品级:3;9、额定电流:4000A;
10、程度母线额定电流: 4000A;
11、垂直母线额定电流:2000、1000A
(八)实训名目
主电气道理图实训
入口高压断路器任务道理实训
运转操纵实训
检验与颐养实训
毛病阐发与解除实训
一次二次接线实训。
10、油田阻抗柜重要学手艺指标
柜体尺寸:2200*800*800mm 产业级柜体
(一)、利用情况
1、情况温度:-25℃~+55℃;
2、氛围绝对湿度:温度为25℃ 时,绝对湿度短时可达100%;
3、海拔高度:≤2000m;
4、不适于装配在猛烈震撼、打击、侵蚀、合谐波过大的场合。
(二)、手艺参数
1.供电电源:三相五线供电;功率:10kw。
2.额定绝缘电压:至1000V;
3.额定任务电压:至660V;
4.额定功率:50/60Hz;
5.额定打击耐受电压:1KV;
6.主电路额定电压:AC380V/220V
7.过电压品级:III;
8.净化品级:3;
9.额定电流:400A;
10.程度母线额定电流: 400A;
(三)尝试名目:
摹拟阻性、容性、理性负载
有功/无功装备的投退
共同无功弥补柜停止无功弥补尝试
当场无功弥补实训
功率因数表接线尝试
11、摹拟问题的产生器、摹拟直流电塑壳断路器柜主要工艺规格
柜体尺寸:600*700*1200mm(一)、利用情况
1、情况温度:-25℃~+55℃;
2、氛围绝对湿度:温度为25℃ 时,绝对湿度短时可达100%;
3、海拔高度:≤2000m;
4、不适于装配在猛烈震撼、打击、侵蚀、合谐波过大的场合。
(二)、手艺参数
1、供电电源:三相五线供电;功率:3kw;
2、额定电压:380V;额定频次:50Hz;
3、任务电压许可偏移:-20%~+20%;
4、额定输出电压摹拟量:380V、50Hz;
5、额定输出电流摹拟量:5A、50Hz;
6、节制物理量:无功功率。
(三)尝试名目:
1、输出摹拟的各类电流、电压毛病旌旗灯号
2、摹拟高压断路器的合、分闸举措旌旗灯号
(四)装备设置装备摆设:
1、微型断路器DZ47-63/C10A/3P:1个
2、交换打仗器CJX1-16A/AC220V:1个
3、中心继电器JZC1-44/AC220V: 1个
4、单相调压器TDGC2-200:10个
5、单相调压器TDGC2-500:1个
6、单相整流桥60A:1个
7、单相滤波电容1500uf: 1个
8、升流器:6个
9、数显电压表、电流表:9个
12、微机继电保护检查仪具体情况学手艺规格
(一)手艺目标1、四订交换电压输出 0-120VA/A相
2、三订交换电流输出 0-40A 450VA/A相
3、直流电压输出 0-250V 100VA
4、直流电流输出 0-20A 100VA/相
5、帮助电流电压输出 220V 100VA
6、时候丈量 0.0001-9999.999S
7、谐波叠加 直流至20次谐波
8、输出频次规模 0-1000HZ
9、输出精度 《0.1%
10、对开入量 空接点或DC0-250V
11、四对开入量 DC250V,2A
12、任务电源 AC175-250V 45-65HZ
13、形状尺寸 220mm(w)*170mm(h)*300mm(d)
14、装配分量 11.8KG
(二)功效特色
1、内置高设置装备摆设工控机,入口真彩液晶屏,测试无需外接任何帮助装备
2、自带优化键盘及滚球鼠标,真正实现单机一体化
3、配有USB接口,轻松外挂优盘,打印机等多种装备
4、配有100M高速网口,随时可参与INTERNET长途进级,接入局域网资本同享
5、具有靠得住的过热,过流,过压及短路自我掩护功效
6、接纳以后最新的电力电子手艺,抗搅扰才能强,输出精度高
7、开入点无极性,空接点和5-250V带电位节点主动辨认
8、WindowsXP操纵平台OFFICE办公软件,40G硬盘,仿佛是一台高机能电脑
9、软件界面有好,功效齐备,轻松实现各电压品级继电掩护校验任务
10、配有精度调剂菜单,用户可自行调剂偏差值
11、具有录波阐发功效,并可将波形存储,跟给直观的阐发毛病特征
12、尝试参数自在存储,挪用,防止了屡次反复输出参数,节流了校验时候
13、尝试报告为WORD格局文档,可在仪器外部停止编辑,清算,打印
14、可按照用户请求定制测试模块,软件毕生收费进级
(三)测试菜单
1、程控电源菜单:可在线调剂各电压电流的幅值、相位及频次;可同步显现矢量图、正序、负序、零序及线电压的巨细;可实现多种掩护的校验,得出举措时候及前往时候。
2、电流掩护尝试菜单:可实现对正序、负序、零序及通俗交直流电流继电器及微机过流掩护装配举措值、前往值、前往系数、举措时候、前往时候的测试,并可设置帮助交直流电压,停止标的目的辨别。
3、电压掩护尝试菜单:可实现对正序、负序及通俗交直流过压、欠压继电器的举措值、前往值、前往系数、举措时候、前往时候的测试。
4、时候继电器菜单:可实现对交直流时候继电器的举措电压、前往电压和举措时候的测试。
5、中心继电器菜单:可一次性实现对交直流中心继电器,中心继电器举措值、前往值、前往系数、举措时候、前往时候及坚持值的测试。启动体例及坚持范例可设置。
6、反时限特征菜单:可实现对电流反时限I-T、电压反时限U-T、频次反时限f-T、过激磁U*/f*-T特征的测试,并绘制出特征曲线
7、功率标的目的掩护尝试菜单:可实现相间功率标的目的、负序及零序功率标的目的微机掩护、继电器的校验。测试名目包含举措区及最大活络角的测试、最小举措电压的测试、最小举措电流的测试。
8、阻抗掩护尝试菜单:可实现各阻抗特征的边境举措值,举措时候测试并打绘制出阻抗特征曲线。
9、精工电流尝试菜单:可一次性实现阻抗继电器的Z/I特征曲线测试
10、差动掩护尝试菜单:可实现对差动掩护比率制动特征曲线、谐波制动系数及直流助磁特征的测试。测试名目又分为边境搜刮和定点测试,搜刮体例分为按定值绝对值搜刮、按定值绝对值搜刮、按步进值搜刮。
11、计量仪表校验菜单:可实现对电压、电流、功率、功率因数等丈量表计的校验,经由过程PT、CT变比的设置,同步显现一次、二次各参数值。
12、低频掩护尝试菜单:可实现对低周减载或低周高压解列装配低频举措值、举措时候、电压变更率闭锁值、频次变更率闭锁、低电压闭锁值及低电流闭锁值的测试
13、同期装配测试菜单:可实现同期装配的合闸压差、合闸频差、合闸导前角度及恒定导前时候的测试,还可实现主动准同期装配的主动调剂尝试。
14、叠加谐波尝试菜单:可同时对各相叠加直流、2-14谐波,并且各次谐波可同时在线按给定步长值调剂。
15、零序掩护尝试菜单:可一次性主动实现对零序各段的定值及重合闸时候的校验,也可分段停止测试。可对重合闸停止检同期测试。
16、间隔掩护尝试菜单:可实现接地毛病和相间毛病掩护各段定值的校验及整组时候门路特征的测试。可对重合闸停止检同期测试。
17、工频变更量间隔掩护尝试菜单:可对以工频变更量阻抗继电器为焦点的间隔掩护停止校验,可对重合闸停止检同期测试。
18、功率振荡尝试菜单:可对失步掩护、振荡解列装配停止尝试,并可摹拟振荡中毛病尝试,实现对掩护装配在振荡中产生毛病时的校验。还可测试产生振荡时对间隔掩护的影响
19、毛病再现菜单:可将毛病录波器记实的毛病录波数据停止再现,并可对♎录波的数据停止有挑选的复制或删除。
13、摹拟各类高压电抗器具体的技术规格
尺寸:700*1200*1100mm
(一)、利用情况
1、情况温度:-25℃~+55℃;
2、氛围绝对湿度:温度为25℃ 时,绝对湿度短时可达100%;
3、海拔高度:≤2000m;
4、不适于装配在猛烈震撼、打击、侵蚀、合谐波过大的场合。
(二)、手艺参数
1、供电电源:三相四线供电;功率:5kw;
2、额定电压:380V;额定频次:50Hz;
3、任务电压许可偏移:-20%~+20%;
4、额定输出电压摹拟量:380V、50Hz;
5、额定输出电流摹拟量:10A、50Hz;
6、总重:150KG 接线体例:Δ∕Y
14、设为裝备摆放汇总表
| 序列号 | 装备 | 状况 | 出产地 |
| 1 | 微机视频监控主站制度 | 1 | 东莞 |
| 2 | 监管工作体系电子产品 | 1 | 南京 |
| 3 | 惠普褐色打印文件机 | 1 | 天津 |
| 4 | 10KV微机厂用变、电贮罐器保护实践屏 | 1 | 武汉 |
| 5 | 10KV微机高压线路、电的消极行为挡拆实践屏 | 1 | 重庆 |
| 6 | ATS控制柜 | 1 | 上海市 |
| 7 |
10KV真空断路器柜 (手车式) |
1 | 西安 |
|
8 |
10KV CT/PT收费柜 | 1 | 广州 |
|
9 |
油田配电盘按钮柜 | 1 | 南京 |
| 10 | 格子式高压电变电柜 | 1 | 上海市 |
| 11 | 高压变压器电容(电容器)补救柜 | 1 | 佛山 |
| 12 | 高电压负债柜 | 1 | 上海市 |
| 13 | 摹拟陋习生成器、摹拟直流高压高压柜 | 1 | 沪 |
| 14 | 微机继电无球测试英文仪 | 1 | 南京 |
| 15 | 摹拟进行高压变电器 | 1 | 杭州 |
今天环节://hszgh.cn//hszgh.cn/gpd/800.html
优秀文章背景:hszgh.cn 导入:中人教仪厂 时会:2019-03-20 16:36
难得一见题: 1、假如我就要采办10KV工厂供高低压配电设备试过室防具、通220V电供高低压配电设备匠人实践教学装配工工,是是有装配工工、学习培训办事人呢? 答:让我们的极品装备若果不出框原因分析“包含配置”“裸机价”“上市”等个性字的,就是提供配置、专业培训做事的。 2、大家的10KV工厂供高低压供配电试试看室辅助装备、通220V电供高低压供配电技术实践配备也非是能开保值营业税通用收据? 答:也可以的,让我们是正规化厂家,有时候已进级到硬性计征人,也可以出据增加税通用税票,即使您应该要开10KV创意工厂供配电设备盘常试室传奇装备、通220V电供配电设备盘手艺人实践教学搭配的税票,您应该要供求平衡开票物料。 3、我们的化合物全是这种出产地的吗?都是哪样化合物悟性? 答:我们工厂是专科加工讲学辅助装备的品牌,完美独立自主加工,并途经的过程 了最新消息版ISO9001认证服务,还具有多选题发明权与著述权。
* 表现必(bi)填推销:10KV工场供配电尝试室装备
- 槽轮棘轮机构模子
- 另类老妇性BBWBBW_久久人人爽人人爽人人片AV麻豆:机器活动简图讲授模子
- 另类老妇性BBWBBW_久久人人爽人人爽人人片AV麻豆:工程塑料机器制图模子
- 另类老妇性BBWBBW_久久人人爽人人爽人人片AV麻豆:机器制图模子120件
- 伺服液压尝试台
- 另类老妇性BBWBBW_久久人人爽人人爽人人片AV麻豆:液压气动综合讲授尝试平台
- 液压手艺培训装配
- 另类老妇性BBWBBW_久久人人爽人人爽人人片AV麻豆:电液伺服比例测控尝试体系
- 另类老妇性BBWBBW_久久人人爽人人爽人人片AV麻豆:产业液压讲授尝试平台
- 另类老妇性BBWBBW_久久人人爽人人爽人人片AV麻豆:比例伺服液压尝试体系
接洽中人教仪厂
最新讯息
- 另类老妇性BBWBBW_久久人人爽人人爽人人片AV麻豆:曲柄滑块、导杆、凸轮组
- 另类老妇性BBWBBW_久久人人爽人人爽人人片AV麻豆:机器体系综合实训装配
- 另类老妇性BBWBBW_久久人人爽人人爽人人片AV麻豆:轴系布局设想尝试箱
- 另类老妇性BBWBBW_久久人人爽人人爽人人片AV麻豆:机器活动立异计划拼装实
- 另类老妇性BBWBBW_久久人人爽人人爽人人片AV麻豆:机器装备组装与维修实训
- 另类老妇性BBWBBW_久久人人爽人人爽人人片AV麻豆:空间机构立异组合及假造
- 另类老妇性BBWBBW_久久人人爽人人爽人人片AV麻豆:立体机构活动设想阐发与
- 另类老妇性BBWBBW_久久人人爽人人爽人人片AV麻豆:铝合金模具拆装模子
- 车刀量角仪
- 另类老妇性BBWBBW_久久人人爽人人爽人人片AV麻豆:立体机构活动计划立异设
- 另类老妇性BBWBBW_久久人人爽人人爽人人片AV麻豆:组合式轴系布局设想尝试
- 另类老妇性BBWBBW_久久人人爽人人爽人人片AV麻豆:机器传动创意机能实训装










