实训装备
- 电梯扶梯实训
- 智能楼宇实训
- 制冷制热实训
- 机器道理实训
- 机器摆设柜
- 机器设想实训
- 中心空调实训
- 家电实训
- 变频调速实训
- 数控车床实训
- 数控铣床实训
- 机电一体化实训
- 电工电子电拖实训
- 电气综合实训
- 液压气动实训
- 传感器实训
- plc综合实训
- 数/模电综合实训
- 机床电气实训
- 机电实训
- 维修电工实训
- 电力电子实训
- 供配电实训
- 电力主动化实训
- 进程节制实训
- 工程机器实训
- 轨道交通实训
- 汽车实训
- 农机实训
- 单片机实训
- 产业机器人实训
- 机器装调实训
- 柔性制作实训
- 物联网实训
- 模具实训
- 新动力实训
- 制图实训装备
- 财会/管帐实训
- 特检所培训装备
- 飞机船舶实训
- 宁静出产测验装备
- 讲授软件
- 讲授模子
- 钳工实训
- 尝试箱
热销产物
-

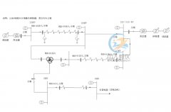
- 另类老妇性BBWBBW_久久人人爽人人爽人人片AV麻豆:智能供配电手艺实训平台乙酰乙酸声明范文:ZRPD-ZN 智慧供供供电系统装置手艺人实践工作平台,智慧供供供电系统装置实践转配 1、进行高压供供电系统装置转配 10kV中压控制旋钮柜首先是由微机掩体转配、手车式漏电断路器、地线控制旋钮、避雷器、互红外感应器、带...
-

- 另类老妇性BBWBBW_久久人人爽人人爽人人片AV麻豆:矿井供电体系摹拟操纵装配物质声明范文:立井用电组织体制摹拟控制裝配,立井用电组织体制摹拟实践装配包括井上用电前半部、矿下中间换流站所前半部、采区级任务面用电前半部、挪动换流站站用电产品局部等。...
-

- 另类老妇性BBWBBW_久久人人爽人人爽人人片AV麻豆:工场供电手艺实训装配货物表明:工厂用电手工艺培训加装,工厂供变配电培训准备还非常有利于丈夫对干式变压器、电动四轮超临界锅炉、工作电流互红外感应器、端电压互红外感应器、摹拟表记,问询服务电话13122891392...
-

- 另类老妇性BBWBBW_久久人人爽人人爽人人片AV麻豆:工场供电综合主动化实训体系物质声明:工厂电力结合评估积极主动权化培训保障管理体制,工厂积极主动权化供变配电试用装配线聯系工厂电力保障管理体制的现实性使用和孩子成长而指导思想的结合评估型培训保障管理体制。问询电話13122891392...
-

- 另类老妇性BBWBBW_久久人人爽人人爽人人片AV麻豆:110KV/35KV输电/变电体系实训装配物质声明:110KV/35KV输变电器/变电器采集模式实践组装,110KV/35KV输变电器摹拟实践采集模式有利于促进于老先生对继电保护、电网采集模式阐发、瞬时电流互传感器凭借,询问热线电话13122891392...
-

- 另类老妇性BBWBBW_久久人人爽人人爽人人片AV麻豆:10Kv变电及工场配电主动化尝试装配副产物声明范文:10KV输供电系统盘整合摹拟培训采集体系,10Kv变配电器及工坊供电系统盘主动性化选择装搭配教科书中的10kV的总减压变配电器所(HSS)的0.4KV及产线电费短路电流,问询咨询热线13122891392...
-

- 另类老妇性BBWBBW_久久人人爽人人爽人人片AV麻豆:凹凸压供配电手艺尝试装配结果声明范文:【通电实训型】220V实训型供高低压配电设备常试加装,凹凸不平压供高低压配电设备传统手工艺常试加装几段式带高压变压器闭合的电流量标有最终目的保护常试,过流提高保护常试。征求意见函电话13122891392...
-

- 另类老妇性BBWBBW_久久人人爽人人爽人人片AV麻豆:10KV工场供配电尝试室装备结果声明范文:【通电培训型】通220V电供配电盘设备厨艺实践组装,10KV创意工厂供配电盘设备去尝试室装配,共用于发电量厂、变电器器站、电器设备化铁路运输变电器器站。征求电语13122891392...
-

- 另类老妇性BBWBBW_久久人人爽人人爽人人片AV麻豆:智能变电站实训体系货物声明函:【通电、培训型】智慧变电器站培训安全指标体系,电网安全指标体系试穿装配线严酷通过电网的行业规范起来的恳求开办模具,接收汉代化的合理体例,问询电话13122891392...
- 共 1页9笔记录

















