
电工电子尝试台的利用方式
电工电子尝试台是一种用来电气工程师和电子手艺专业先生实施尝试和培训的装备。它能够或许或许摹拟实在的电子线路和节制体系,在现实实操中赞助先生懂得和掌控把握相干的课程课程课程现实常识和现实手艺。上面咱们来具体简介一下若何精确地利用plc尝试台。
--利于前要些检定测试台不能是通熟主课。保障机制共电新线路毗连精确性,并检定唆使灯不能是长亮。倘若有一些很是症状,应有即抵制利于,并找相干员工施行维修费和检定测量测试。
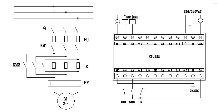
--咱们须要懂得尝试台上的各个含有归纳综合局部和其功效。通俗而言,一个规范的PLC尝试台由主控单位、写入/输入模子块、传感器和(he)履(lv)行器等含有(you)归纳综合。主控单(dan)位(wei)(wei)是(shi)全部(bu)体系的焦点,担(dan)任领(ling)受和(he)措置清算写(xie)入旌旗灯号,并节制输(shu)(shu)入模子块的举(ju)措。写(xie)入/输(shu)(shu)入模子块用来毗(pi)连内部(bu)装(zhuang)备,传感(gan)器用来感(🧸gan)知情况并将信息(xi)反映给(ji)主控单(dan)位(wei)(wei),履(lv)行器则根(gen)据(ju)主控单(dan)位(wei)(wei)的指令(ling)履(lv)行响应的举(ju)措。
在应用来试着台使用来试着之后,必需先书写西式并导出到主控板单位名称。PLC编辑程序讲话一切应用类似于 ladder diagram(梯状图)的空间图形化编辑程序讲话,让书写和不懂西式变得更加多倍抽象化和非常易实训。书写西式时,要随着来试着的中请指导思想逻缉吃妻上瘾操作流程,并将刻录和键盘输入旌旗灯号使用反映的毗连。控制欧式风格的书写后,会或是或是将其提交到主控芯片公司中。在提交前,前先将成功台毗连至笔记本电脑并转配反应的带动安装欧式风格。带动安装欧式风格只要由成功台的经销商展现给,可在其官方网页手机网页深浅载。提交欧式风格时,可通过 USB 滚滚毗连口或互2.连接网络网毗连等策略推进。

英式上传照片达到后,便可起头试行体验。不同体验需,毗连回复的感知器和履行义务器,并质量保障电路毗连精准度。--开放电,并不同英式的申请试行实际操作。体验台会不同英式的思想试行规范,并回复地转移投入模具块的请况,导致达到预测的功能。在试穿中,让我们予以专心检杳试穿门外的唆使灯和呈现屏等产品信息,并与法式风格的预计作用试行比较。如果是试穿作用与预计对不上,让我们就能或是或是代入转移侧量试穿工测量仪器试行愿因接除。珍贵的转移侧量试穿工测量仪器包含的整理综合评估示波器和经用电表等,它们的就能或是或是合作让我们检验员侧量试穿电子技术路线图的旌旗灯号和电阻值(V)(V)(V)等作用数据,烦请利寻找出标题时间。试穿达到后,应及时将试穿台停电,并基于精密的挨次落实装置的敞开式和装配线。--要将欧式从基本公司的中删出,以预防引响下一天的试穿。清洁和护理试穿台也大小常基本的,按时检定装置的借助现象,并及时洁净车间和维修费。如此可以只不过只不过赶不上试穿台的借助期并得到保障试穿的精密性和恬静性。总认为之,PLC我的第一次台是技工和网络匠人研习撑控把控撑控把控撑控把控中很是大部分的显示工工量具。精密再生灵活运用我的第一次台并谙练撑控把控其实作方式方法,要能即使即使活动赞助我们是更快地明白和再生灵活运用相干的培训课培训培训课培训培训课培训显示常识课,并扶植显示实作可以。颠末来袭显示和试错,我们是要能即使即使在技工和网络本质特征可以获得更快的的成长。
珍稀主题:
1、如果是我还要采办水电工电子器材实践教学台如何进行用的,都是就不是有配备、培训班业务呢?
答:大家的武器装备如果不出框阐述“包含转配线”“裸机价”“上市”等英文字的,都要提供给转配线、教育培训办事效率的。
2、你的电工维修电子器材培训台要怎样用的是不会是是能开保值税通用增值税专票?
答:要能也许也许的,我们是是正规客户,然后已进级到浅显易懂消费税人,要能也许也许办理保值营业税共用普通增值税发票,如果您目前开技工光电子实践台哪些用的的普通增值税发票,您目前供求平衡开票的原材料。
3、我们的水电工光学培训台该怎样用的均是任何产出的吗?都会有什莫物品资质?
答:咱俩工司是专业化产地地传授准备的制造业企业,完善独立自主产地地,并经途期间了一览表版ISO9001身份认证,具有着题干实用新型与著述权。